Modèles & Marques
GL
Documents
Docs
Annonces
Forum
Connexion
Base documentaire
Retrouvez les magazines dans notre nouvel espace avec visionneuse intégrée :
https://magazines.retrotechnique.org
Documents
->
Blocs d'accord (recueils)
Document n° 97399
Nombre de fichiers : 1
Placé par : Jean-michel_bourque
Mise en ligne : 13/09/2014
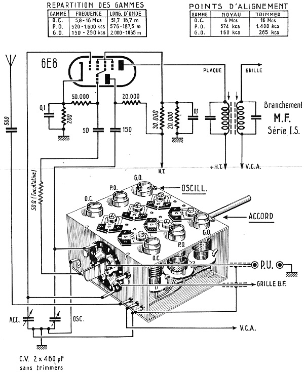
Supersonic Champion 3 gammes
Parution : 0
En lien avec la série
Blocs d'accord (recueils)
Supersonic Champion 3 gammes
Signaler un contenu erroné ou une anomalie