Modèles & Marques
GL
Documents
Docs
Annonces
Forum
Connexion
Base documentaire
Retrouvez les magazines dans notre nouvel espace avec visionneuse intégrée :
https://magazines.retrotechnique.org
Schémathèques (recueils, documents service...)
Document n° 96386
Nombre de fichiers : 4
Placé par : Totodu76
Mise en ligne : 01/09/2021
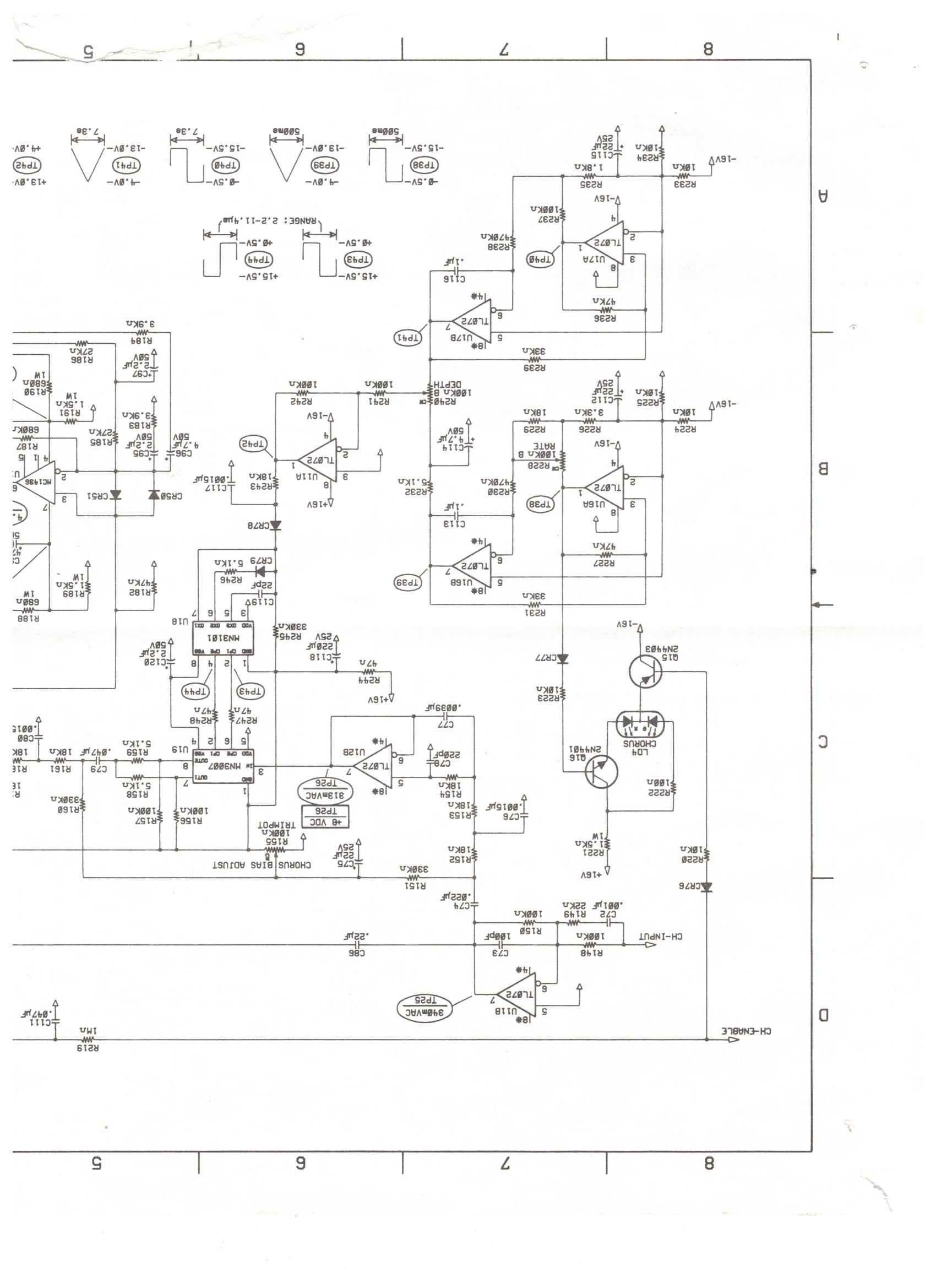
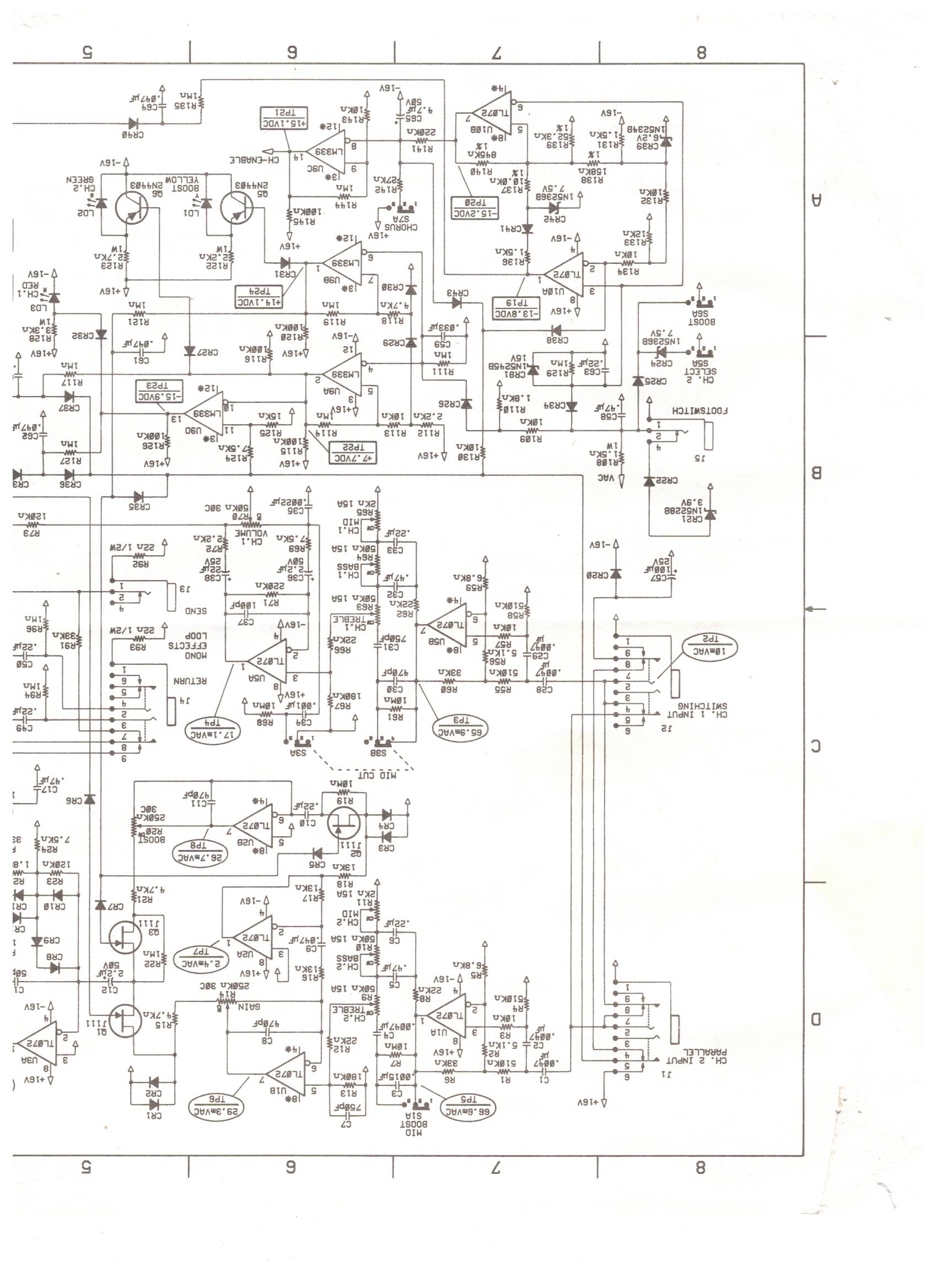
Fender Power Chorus Schéma
Parution : 0
En lien avec le modèle
Fender - Power Chorus
p. 1
p. 2
p. 3
p. 4
Signaler un contenu erroné ou une anomalie