Modèles & Marques
GL
Documents
Docs
Annonces
Forum
Connexion
Base documentaire
Retrouvez les magazines dans notre nouvel espace avec visionneuse intégrée :
https://magazines.retrotechnique.org
Documents
->
Schémas, manuels de service
->
Schémas et manuels de service par marque et modèle
Document n° 9473
Nombre de fichiers : 1
Placé par : Japa
Mise en ligne : 19/03/2010
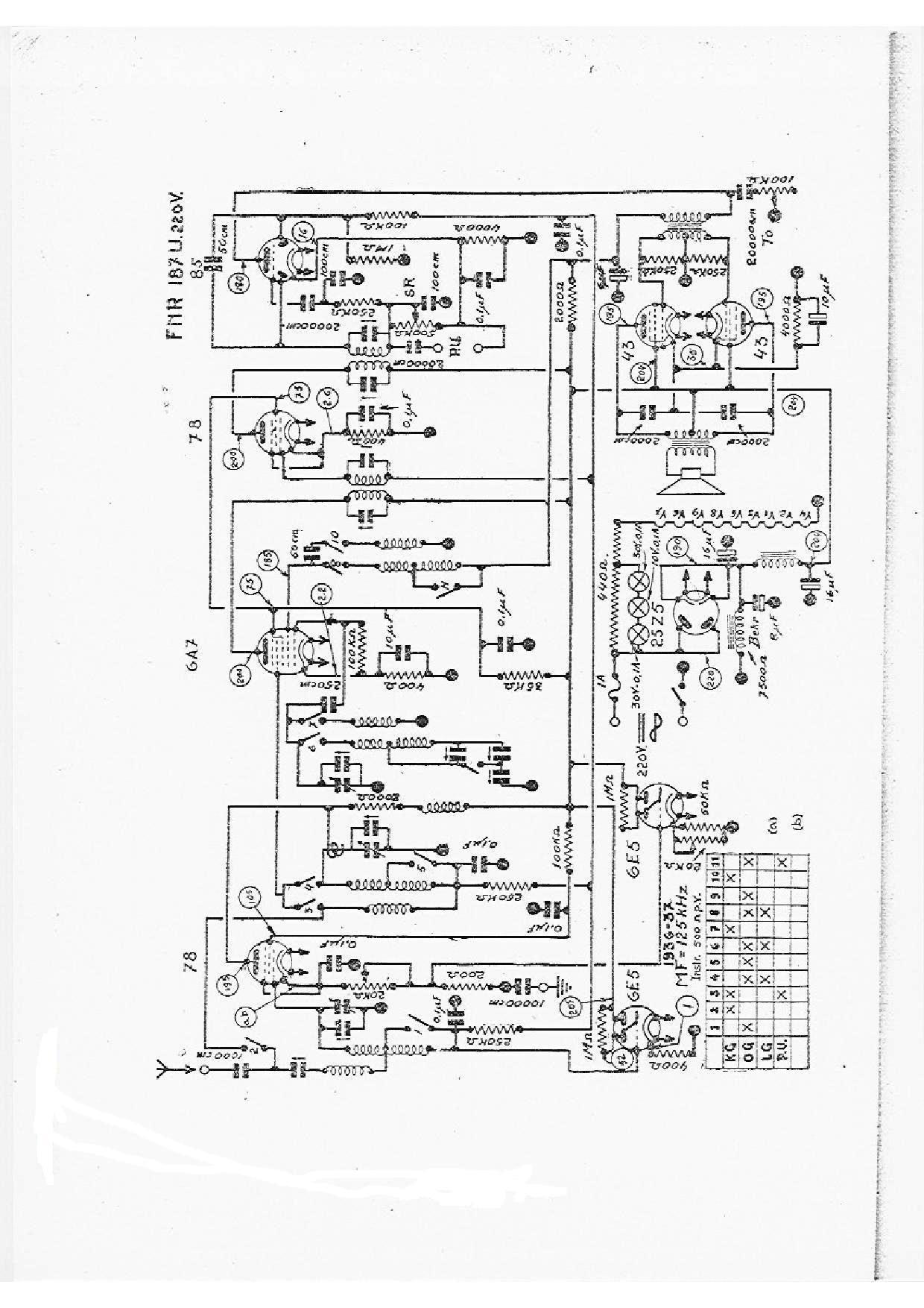
187 U 220 V
Parution : 1936
En lien avec le modèle
F.N.R. - 187 U 220 V
p. 1
Signaler un contenu erroné ou une anomalie