Modèles & Marques
GL
Documents
Docs
Annonces
Forum
Connexion
Base documentaire
Retrouvez les magazines dans notre nouvel espace avec visionneuse intégrée :
https://magazines.retrotechnique.org
Documents
->
Schémas, manuels de service
->
Schémas et manuels de service par marque et modèle
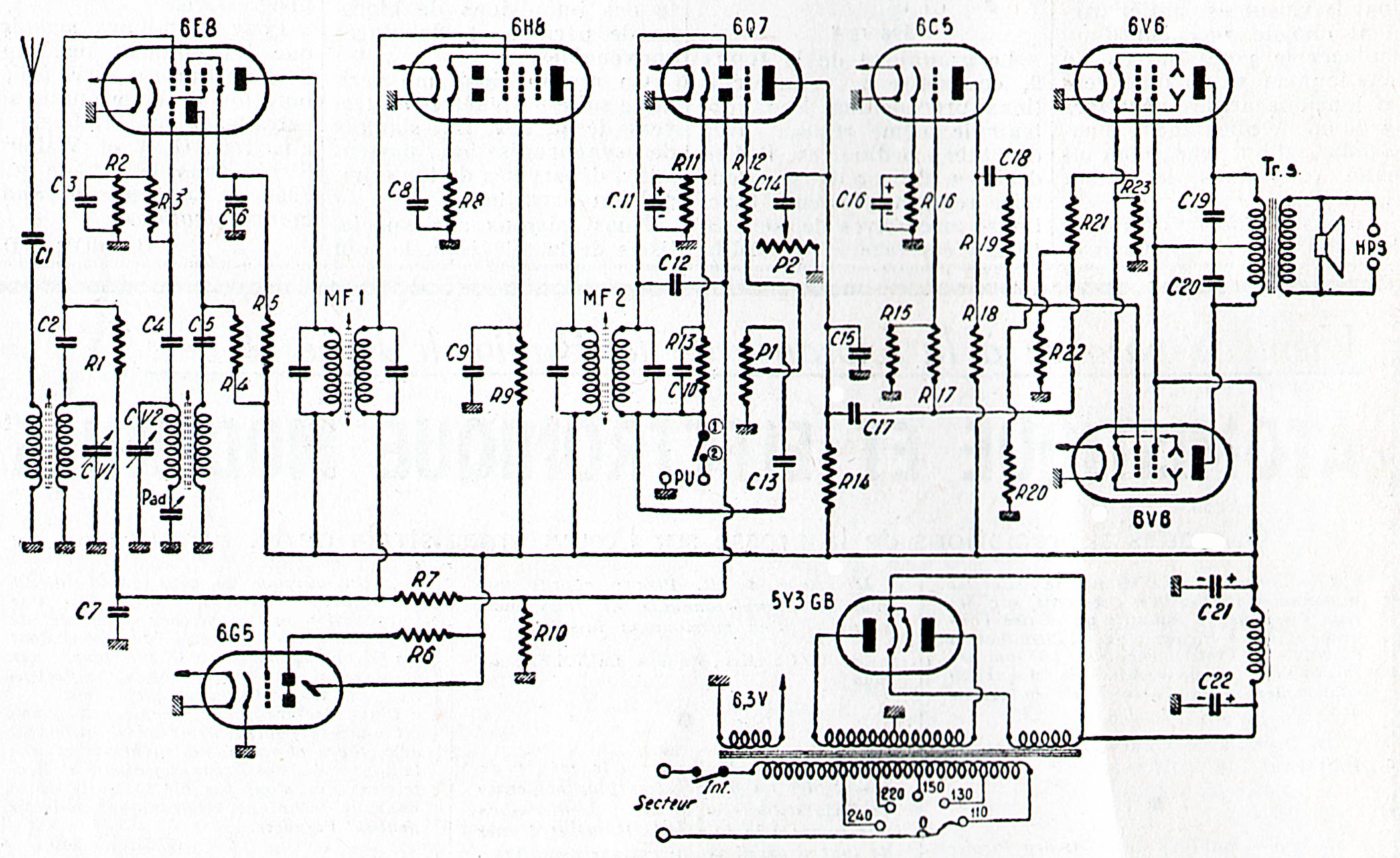
Document n° 9368
Nombre de fichiers : 1
Placé par : Aufils Raynal
Origine : Le haut Parleur 1950
Mise en ligne : 12/03/2010
Super HP 878
Parution : 1950
En lien avec le modèle
Comptoir MB Radiophonique - Super HP 878
p. 1
Signaler un contenu erroné ou une anomalie