Modèles & Marques
GL
Documents
Docs
Annonces
Forum
Connexion
Base documentaire
Retrouvez les magazines dans notre nouvel espace avec visionneuse intégrée :
https://magazines.retrotechnique.org
Document n° 93399
Nombre de fichiers : 1
Placé par : Kiki37
Origine : kiki37
Mise en ligne : 15/03/2021
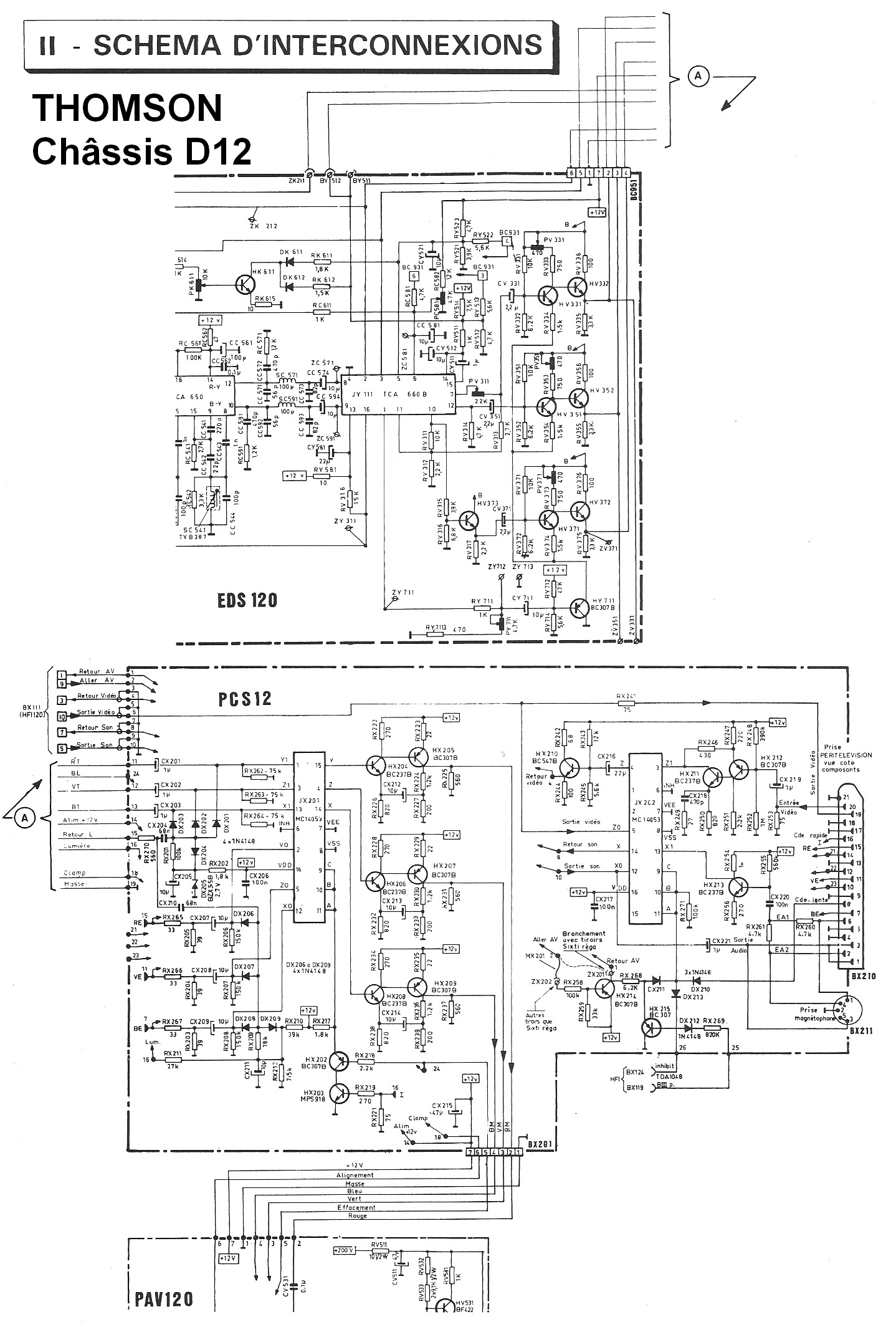
D12 interconnexions
Parution : 0
En lien avec le modèle
Brandt - 20.611 - châssis D12
p. 1
Signaler un contenu erroné ou une anomalie