Modèles & Marques
GL
Documents
Docs
Annonces
Forum
Connexion
Base documentaire
Retrouvez les magazines dans notre nouvel espace avec visionneuse intégrée :
https://magazines.retrotechnique.org
Document n° 93273
Nombre de fichiers : 1
Placé par : Kiki37
Origine : kiki37
Mise en ligne : 09/03/2021
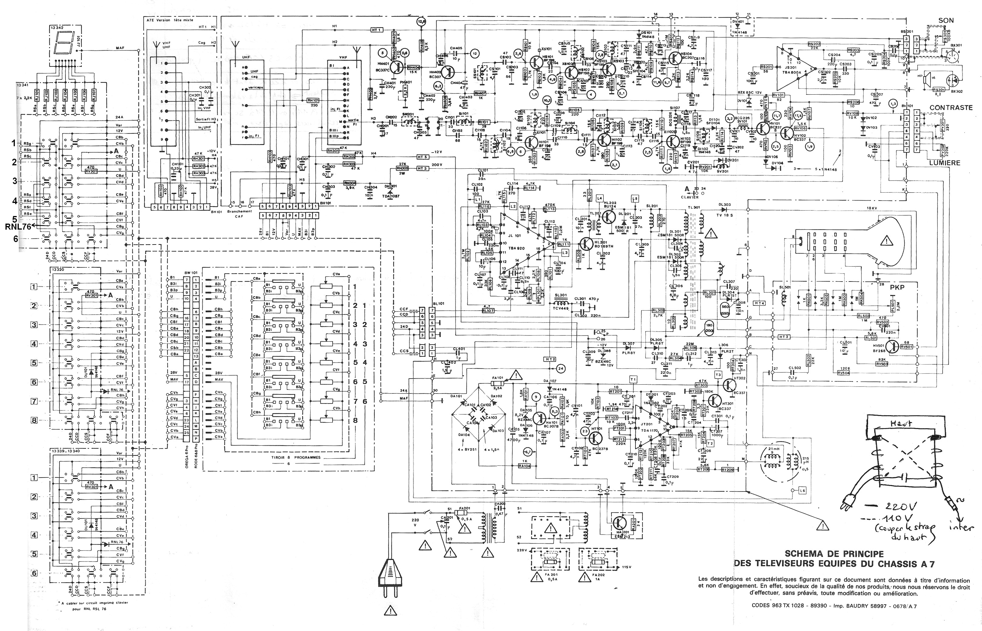
châssis A7
Parution : 0
En lien avec le modèle
Brandt - 61-513N châssis A7
p. 1
Signaler un contenu erroné ou une anomalie