Modèles & Marques
GL
Magazines
Docs & Schémas
Docs
Forum
Connexion
Base documentaire
Document n° 92910
Nombre de fichiers : 1
Placé par : Kiki37
Mise en ligne : 25/02/2021
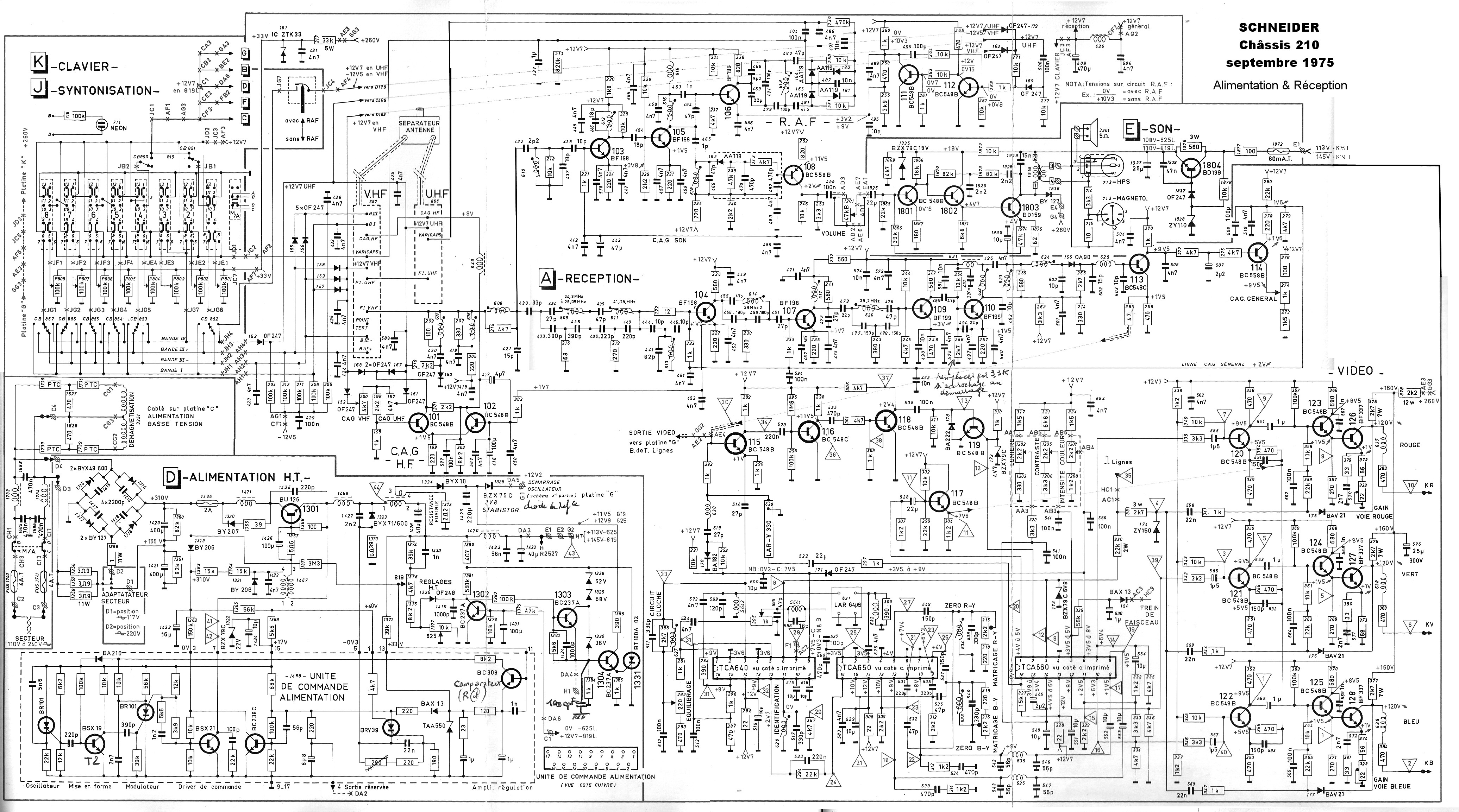
Schneider Châssis 210 Schéma alimentation et réception
Parution : 0
En lien avec le modèle
Schneider (Frères) - Atoll - châssis 210
p. 1
Signaler un contenu erroné ou une anomalie