Modèles & Marques
GL
Documents
Docs
Annonces
Forum
Connexion
Base documentaire
Retrouvez les magazines dans notre nouvel espace avec visionneuse intégrée :
https://magazines.retrotechnique.org
Documents
->
Schémas, manuels de service
Document n° 90353
Nombre de fichiers : 14
Placé par : Quartdepouce
Mise en ligne : 21/11/2020
Lorsque le créateur du pdf est renseigné,
cette information est visible dans le menu "propriétés" de votre lecteur pdf.
Perfectone EP 6A originaux Quartdepouce
Parution : 0
En lien avec le modèle
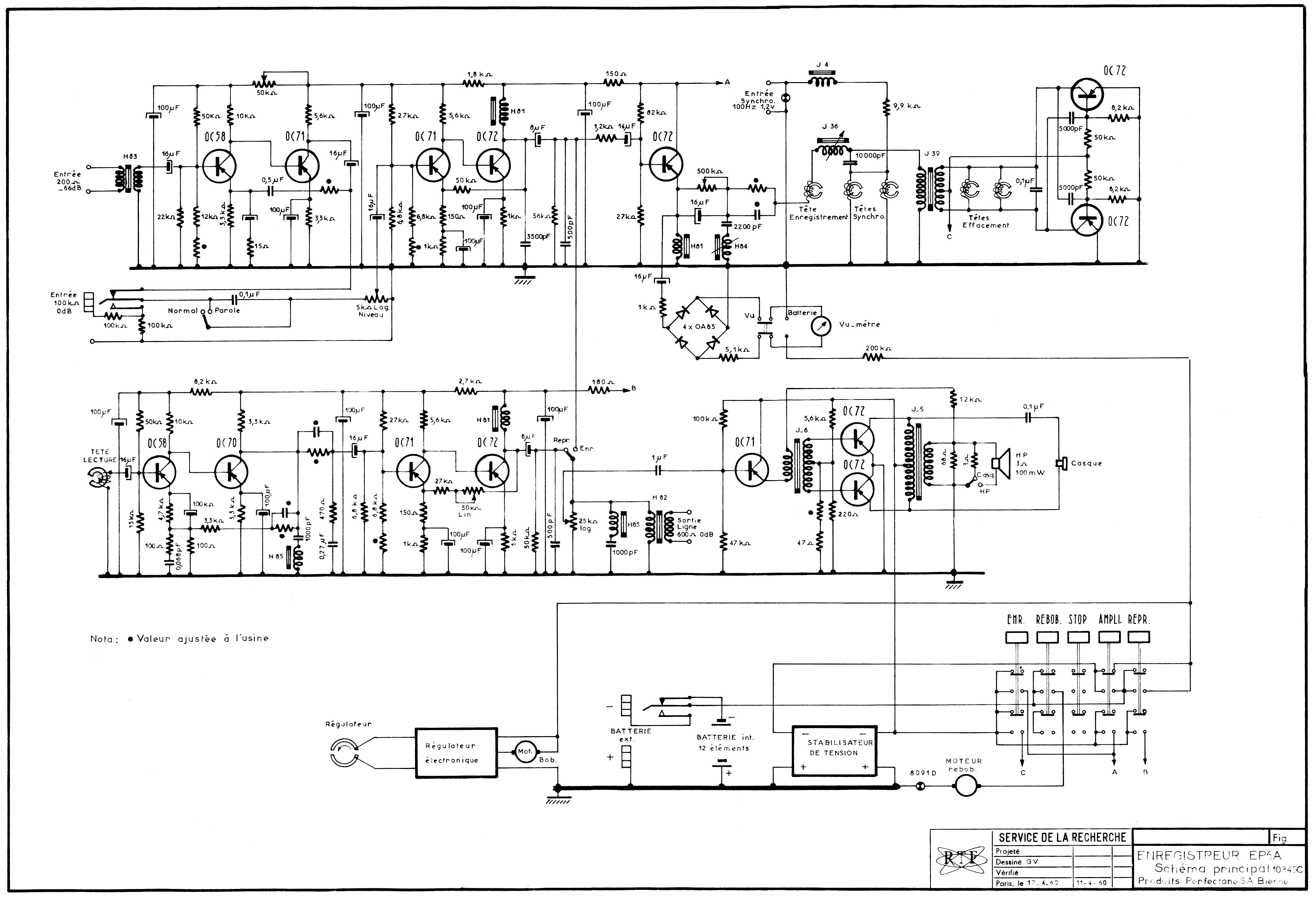
Perfectone - EP 6A
p. 1
p. 2
p. 3
p. 4
p. 5
p. 6
p. 7
p. 8
p. 9
p. 10
p. 11
p. 12
p. 13
p. 14
Signaler un contenu erroné ou une anomalie
cette information est visible dans le menu "propriétés" de votre lecteur pdf.