Modèles & Marques
GL
Documents
Docs
Annonces
Forum
Connexion
Base documentaire
Retrouvez les magazines dans notre nouvel espace avec visionneuse intégrée :
https://magazines.retrotechnique.org
Documents
->
Schémas, manuels de service
->
Schémas et manuels de service par marque et modèle
Document n° 9027
Nombre de fichiers : 1
Placé par : Aufils Raynal
Origine : Le haut Parleur 1948
Mise en ligne : 22/02/2010
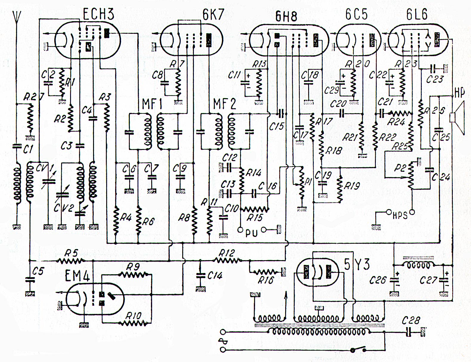
JM 48
Parution : 1949
En lien avec le modèle
Comptoir MB Radiophonique - JM 48
p. 1
Signaler un contenu erroné ou une anomalie