Modèles & Marques
GL
Magazines
Docs & Schémas
Docs
Forum
Connexion
Base documentaire
Document n° 81228
Nombre de fichiers : 1
Placé par : Everondia
Origine : Everondia
Mise en ligne : 13/06/2020
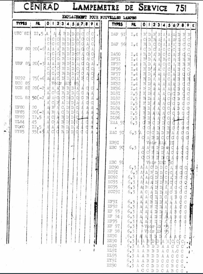
Remplacement page 22 illisible
Parution : 0
En lien avec le modèle
Centrad - 751 Lampemètre
p. 1
Signaler un contenu erroné ou une anomalie