Modèles & Marques
GL
Documents
Docs
Annonces
Forum
Connexion
Base documentaire
Retrouvez les magazines dans notre nouvel espace avec visionneuse intégrée :
https://magazines.retrotechnique.org
Document n° 81008
Nombre de fichiers : 1
Placé par : Clement1
Mise en ligne : 19/05/2020
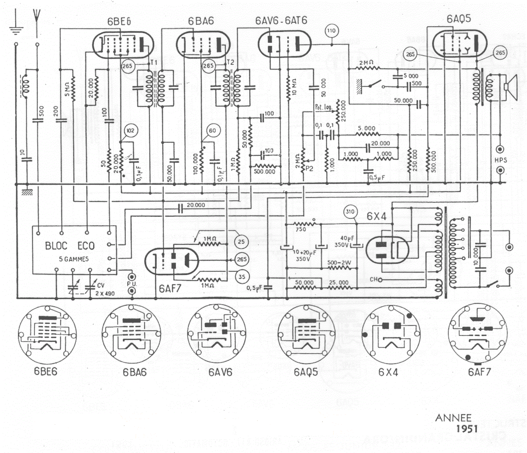
Schéma
Parution : 0
En lien avec le modèle
Manufrance - 8772
p. 1
Signaler un contenu erroné ou une anomalie