Modèles & Marques
GL
Documents
Docs
Annonces
Forum
Connexion
Base documentaire
Retrouvez les magazines dans notre nouvel espace avec visionneuse intégrée :
https://magazines.retrotechnique.org
Document n° 79672
Nombre de fichiers : 1
Placé par : Poirier_charles
Mise en ligne : 30/03/2020
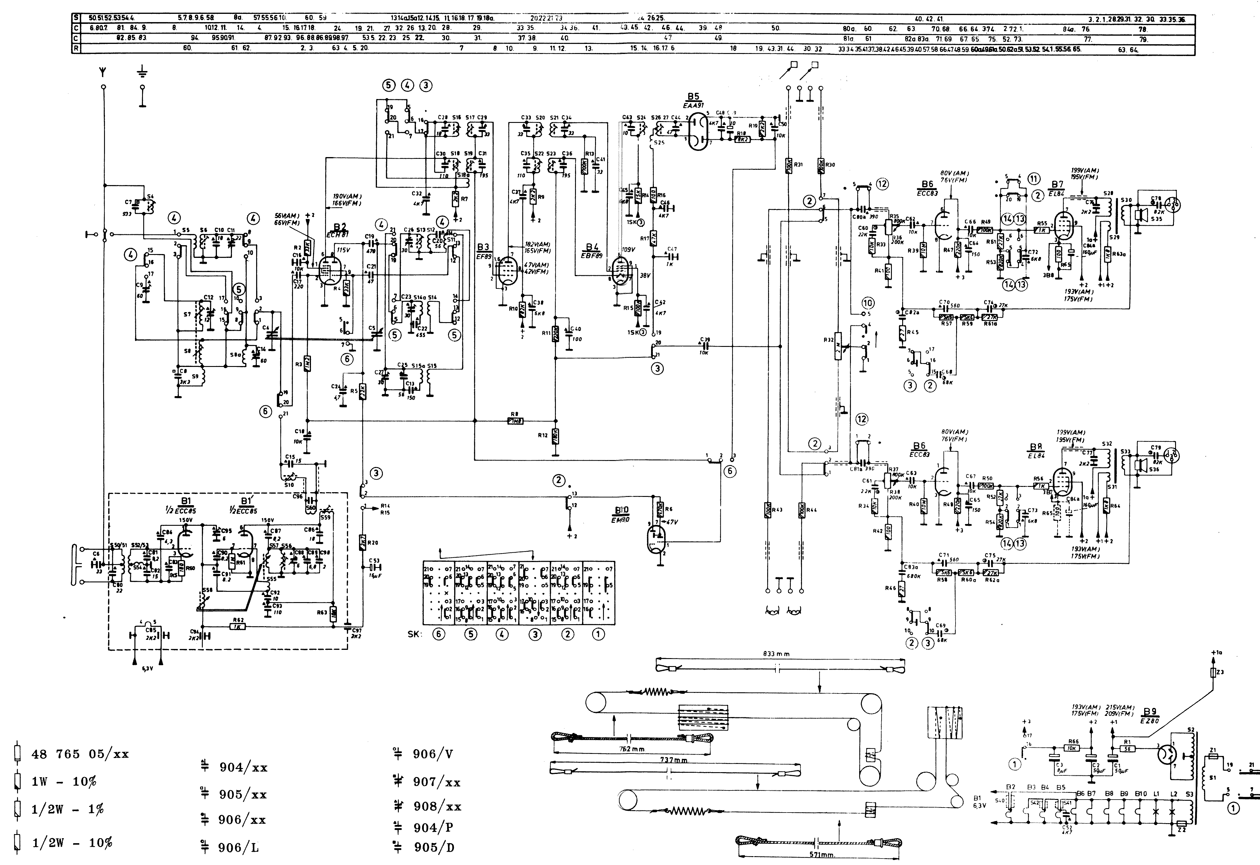
ACEC 5205 Shcéma
Parution : 0
En lien avec le modèle
A.C.E.C. - 5205
p. 1
Signaler un contenu erroné ou une anomalie