Modèles & Marques
GL
Documents
Docs
Annonces
Forum
Connexion
Base documentaire
Retrouvez les magazines dans notre nouvel espace avec visionneuse intégrée :
https://magazines.retrotechnique.org
Document n° 75635
Nombre de fichiers : 1
Placé par : Jardine_jean-claude
Mise en ligne : 26/12/2019
Schéma
Parution : 0
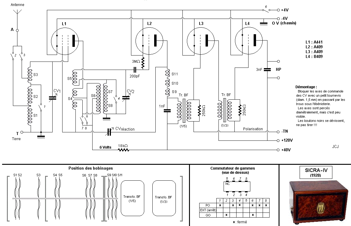
En lien avec le modèle
Sicra - Sicra-IV
p. 1
Signaler un contenu erroné ou une anomalie