Modèles & Marques
GL
Documents
Docs
Annonces
Forum
Connexion
Base documentaire
Retrouvez les magazines dans notre nouvel espace avec visionneuse intégrée :
https://magazines.retrotechnique.org
Documents
->
Schémas, manuels de service
->
Schémas et manuels de service par marque et modèle
Document n° 73269
Nombre de fichiers : 1
Placé par : Radiolo
Origine : tsf-radio.org
Mise en ligne : 03/12/2019
Schéma
Parution : 0
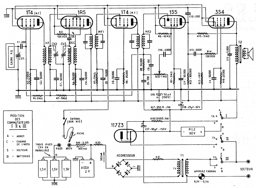
En lien avec le modèle
Radio Marino - Vade-Mecum KZ HF 69
p. 1
Signaler un contenu erroné ou une anomalie