Modèles & Marques
GL
Documents
Docs
Annonces
Forum
Connexion
Base documentaire
Retrouvez les magazines dans notre nouvel espace avec visionneuse intégrée :
https://magazines.retrotechnique.org
Document n° 72886
Nombre de fichiers : 1
Placé par : Radiolo
Origine : tsf-radio.org
Mise en ligne : 22/11/2019
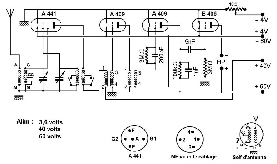
Schéma
Parution : 0
En lien avec le modèle
Evernice - E 4
p. 1
Signaler un contenu erroné ou une anomalie