Modèles & Marques
GL
Documents
Docs
Annonces
Forum
Connexion
Base documentaire
Retrouvez les magazines dans notre nouvel espace avec visionneuse intégrée :
https://magazines.retrotechnique.org
Document n° 70946
Nombre de fichiers : 1
Placé par : Delannoy_paul
Origine : Mur Remy
Mise en ligne : 27/09/2019
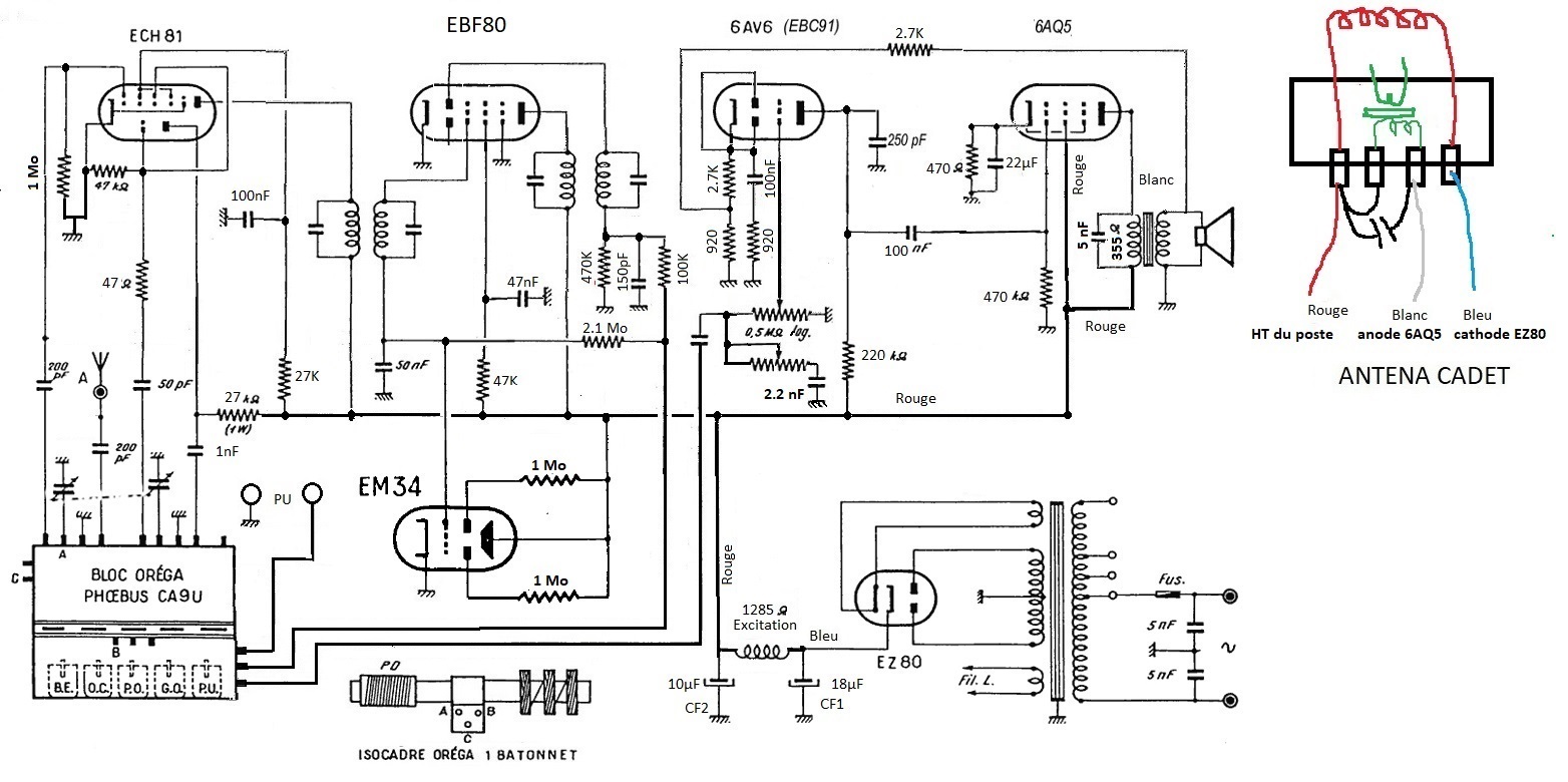
schema modif 6BM5 en 6AQ5
En lien avec le modèle
Antena - Cadet (avec oeil magique)
p. 1
Signaler un contenu erroné ou une anomalie