Modèles & Marques
GL
Documents
Docs
Annonces
Forum
Connexion
Base documentaire
Retrouvez les magazines dans notre nouvel espace avec visionneuse intégrée :
https://magazines.retrotechnique.org
Documents
->
Schémas, manuels de service
->
Schémas et manuels de service par marque et modèle
Document n° 7092
Nombre de fichiers : 1
Placé par : Japa
Mise en ligne : 21/11/2009
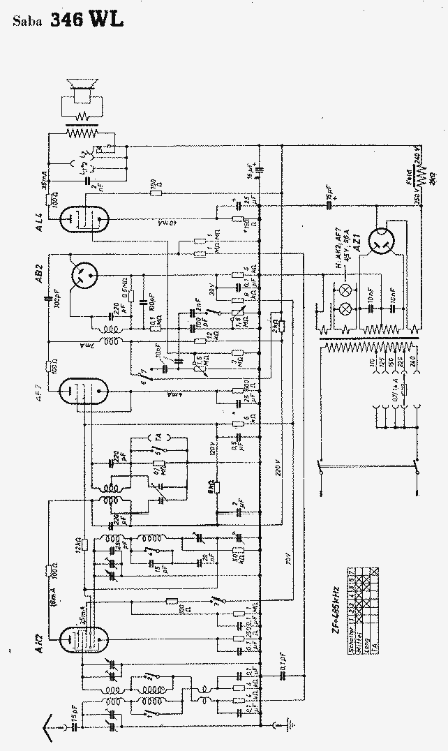
346 WL
Parution : 1935
En lien avec le modèle
Saba - 346 WL
p. 1
Signaler un contenu erroné ou une anomalie