Modèles & Marques
GL
Documents
Docs
Annonces
Forum
Connexion
Base documentaire
Retrouvez les magazines dans notre nouvel espace avec visionneuse intégrée :
https://magazines.retrotechnique.org
Documents
->
Schémas, manuels de service
->
Schémas et manuels de service par marque et modèle
Document n° 69528
Nombre de fichiers : 1
Placé par : Anonymous
Mise en ligne : 10/08/2019
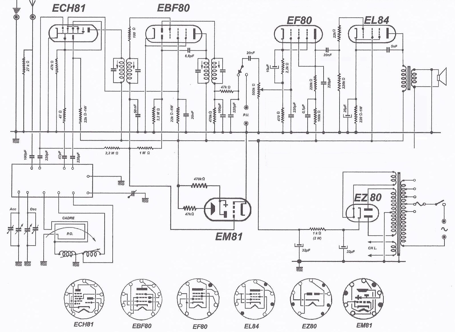
Sonorton 6 lampes noval Schéma
Parution : 0
En lien avec le modèle
Sonorton - Modèle à identifier (15416)
p. 1
Signaler un contenu erroné ou une anomalie