Modèles & Marques
GL
Documents
Docs
Annonces
Forum
Connexion
Base documentaire
Retrouvez les magazines dans notre nouvel espace avec visionneuse intégrée :
https://magazines.retrotechnique.org
Document n° 632
Nombre de fichiers : 14
Placé par : Bernard_wissler
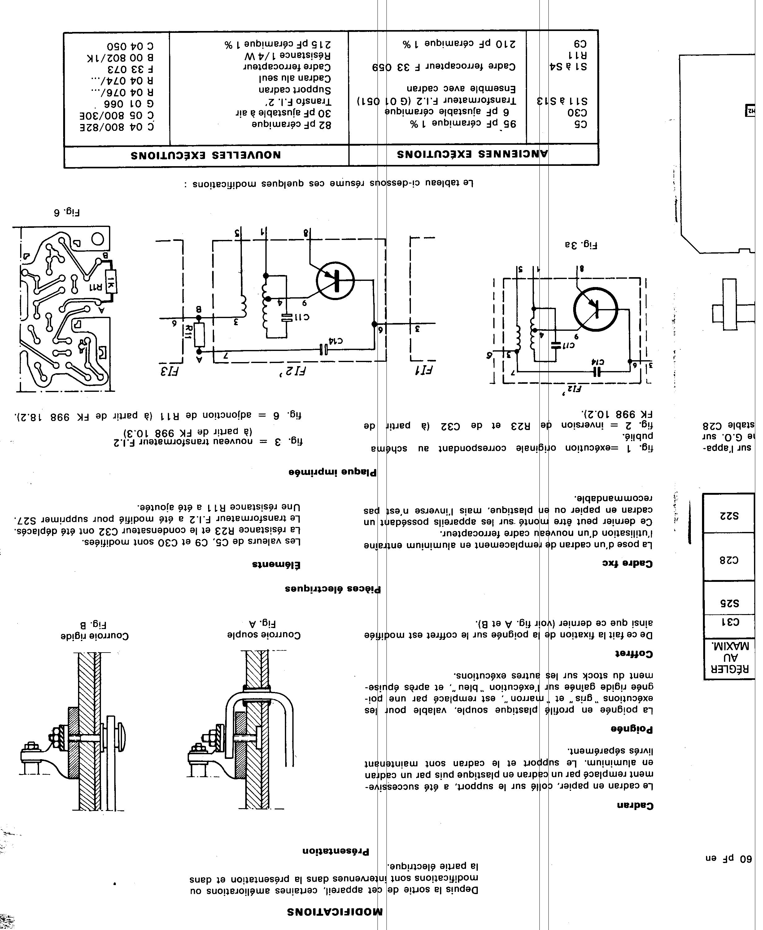
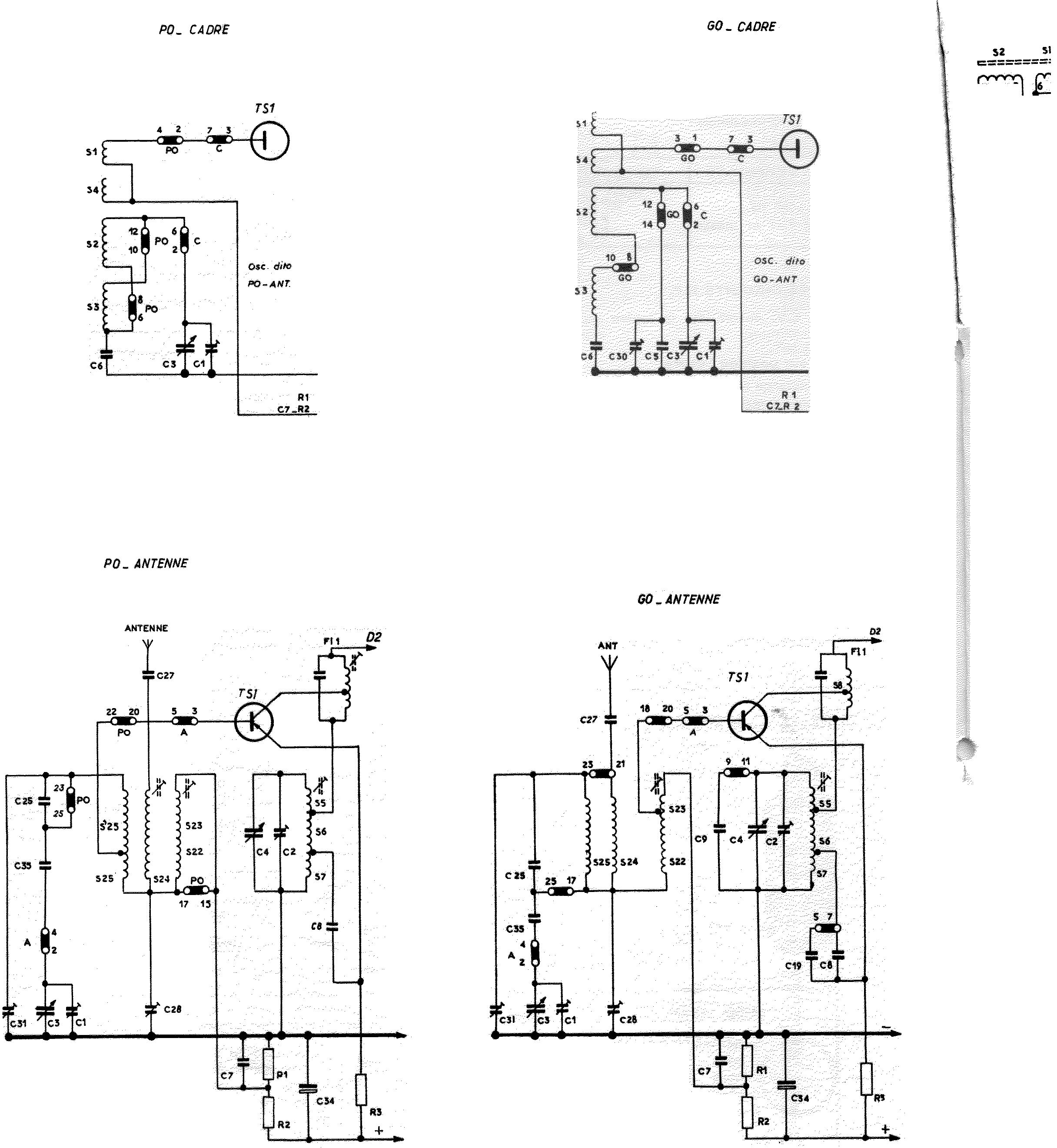
Schema
En lien avec le modèle
Philips - L3F 18 T
p. 1
p. 2
p. 3
p. 4
p. 5
p. 6
p. 7
p. 8
p. 9
p. 10
p. 11
p. 12
p. 13
p. 14
Signaler un contenu erroné ou une anomalie