Modèles & Marques
GL
Documents
Docs
Annonces
Forum
Connexion
Base documentaire
Retrouvez les magazines dans notre nouvel espace avec visionneuse intégrée :
https://magazines.retrotechnique.org
Documents
->
Schémas, manuels de service
->
Schémas et manuels de service par marque et modèle
Document n° 5797
Nombre de fichiers : 1
Placé par : Aufils Raynal
Origine : Radio Constructeur et Dépanneur 1952
Mise en ligne : 14/07/2009
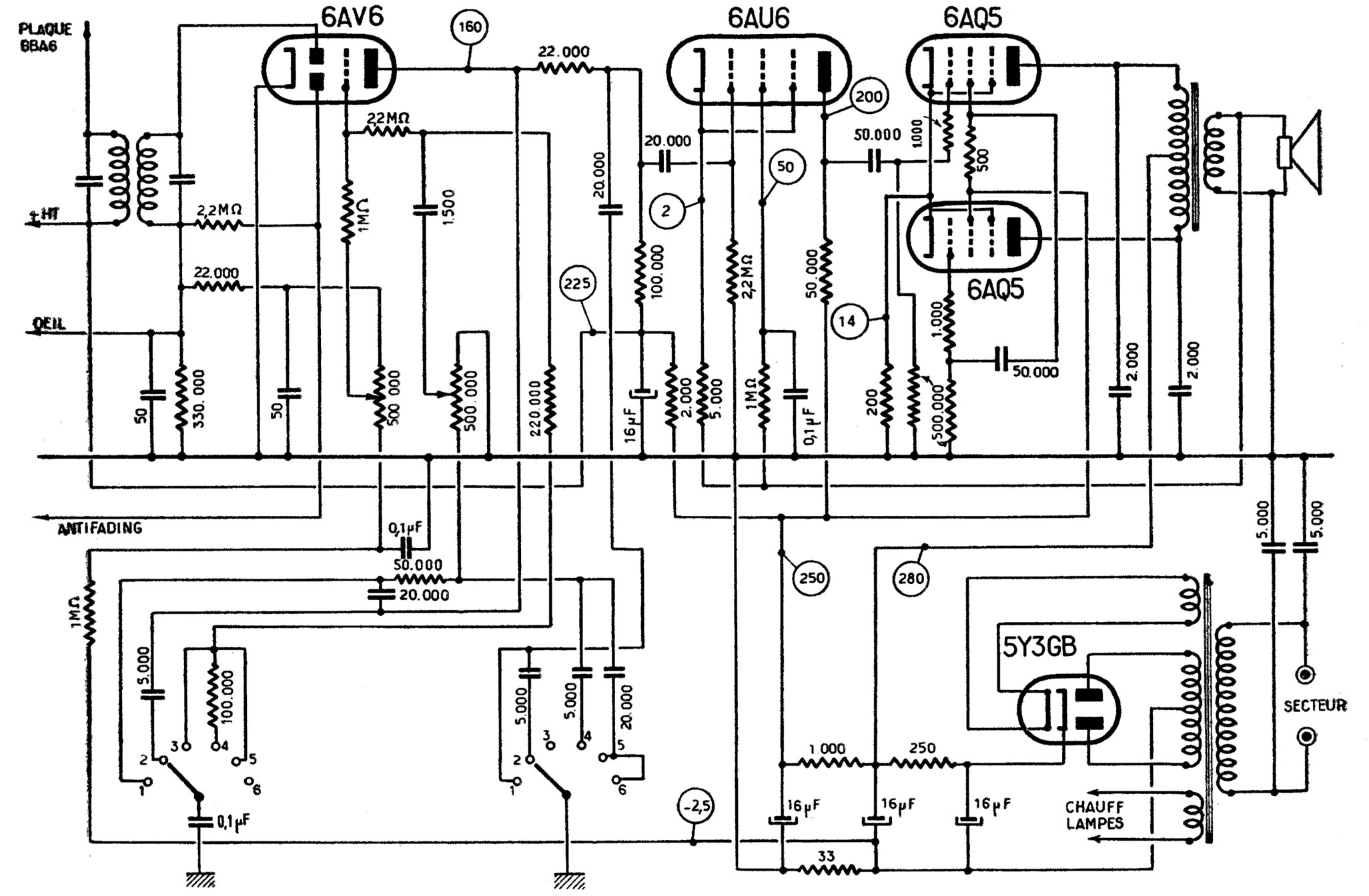
Everest Polytonal PP-HF
Parution : 1951
En lien avec le modèle
Magic-Radio - Everest Polytonal PP-HF
p. 1
Signaler un contenu erroné ou une anomalie