Modèles & Marques
GL
Documents
Docs
Annonces
Forum
Connexion
Base documentaire
Retrouvez les magazines dans notre nouvel espace avec visionneuse intégrée :
https://magazines.retrotechnique.org
Document n° 5554
Nombre de fichiers : 1
Placé par : Aufils Raynal
Origine : Radio Constructeur 1938
Mise en ligne : 15/06/2009
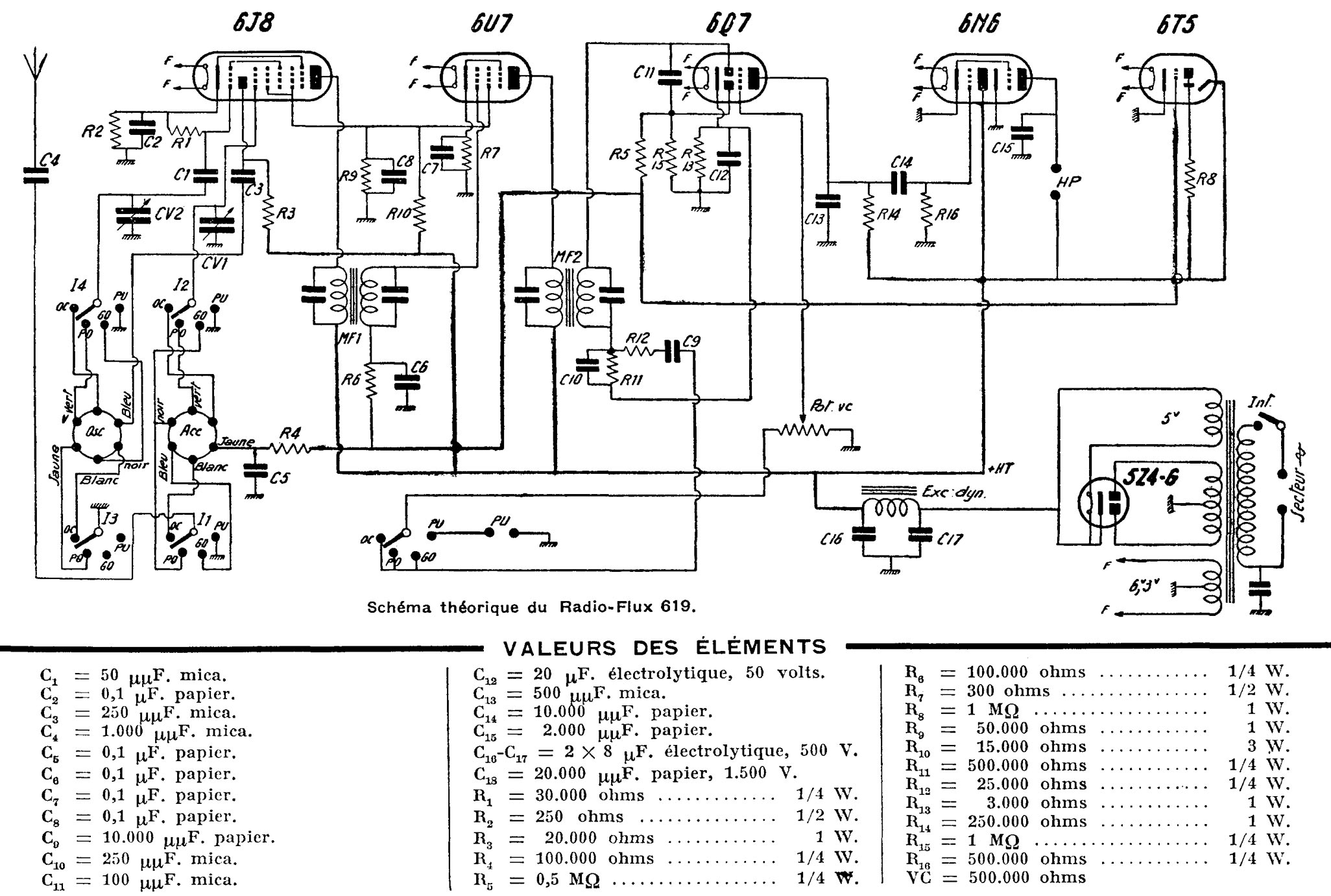
Radio Flux 619
Parution : 1938
En lien avec le modèle
A.R.C. Radio - Radioflux - Radio Flux 619
p. 1
Signaler un contenu erroné ou une anomalie