Modèles & Marques
GL
Documents
Docs
Annonces
Forum
Connexion
Base documentaire
Retrouvez les magazines dans notre nouvel espace avec visionneuse intégrée :
https://magazines.retrotechnique.org
Document n° 54429
Nombre de fichiers : 6
Placé par : Jfgarenne
Mise en ligne : 14/11/2017
Schéma
En lien avec le modèle
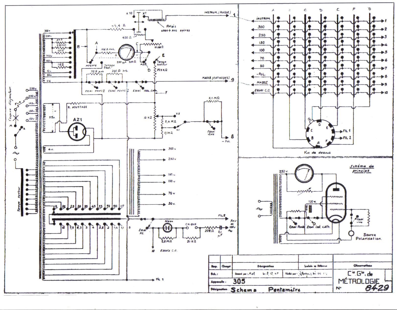
Metrix - 305 - Pentemètre (Lampemètre)
p. 1
p. 2
p. 3
p. 4
p. 5
p. 6
Signaler un contenu erroné ou une anomalie