Modèles & Marques
GL
Magazines
Docs & Schémas
Docs
Annonces
Forum
Connexion
Base documentaire
Retrouvez les magazines dans notre nouvel espace avec visionneuse intégrée :
https://magazines.retrotechnique.org
Document n° 53429
Nombre de fichiers : 1
Placé par : Gregoire
Origine : relevé personnel du schéma
Mise en ligne : 15/12/2016
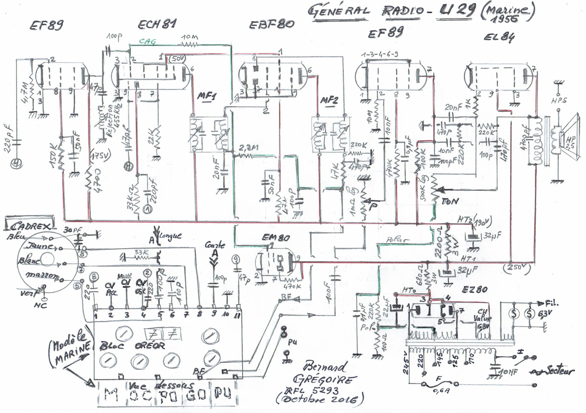
Schéma
En lien avec le modèle
Général-Radio (Dijon) - U 29
p. 1
Signaler un contenu erroné ou une anomalie