Modèles & Marques
GL
Documents
Docs
Annonces
Forum
Connexion
Base documentaire
Retrouvez les magazines dans notre nouvel espace avec visionneuse intégrée :
https://magazines.retrotechnique.org
Documents
->
Schémas, manuels de service
->
Schémas et manuels de service par marque et modèle
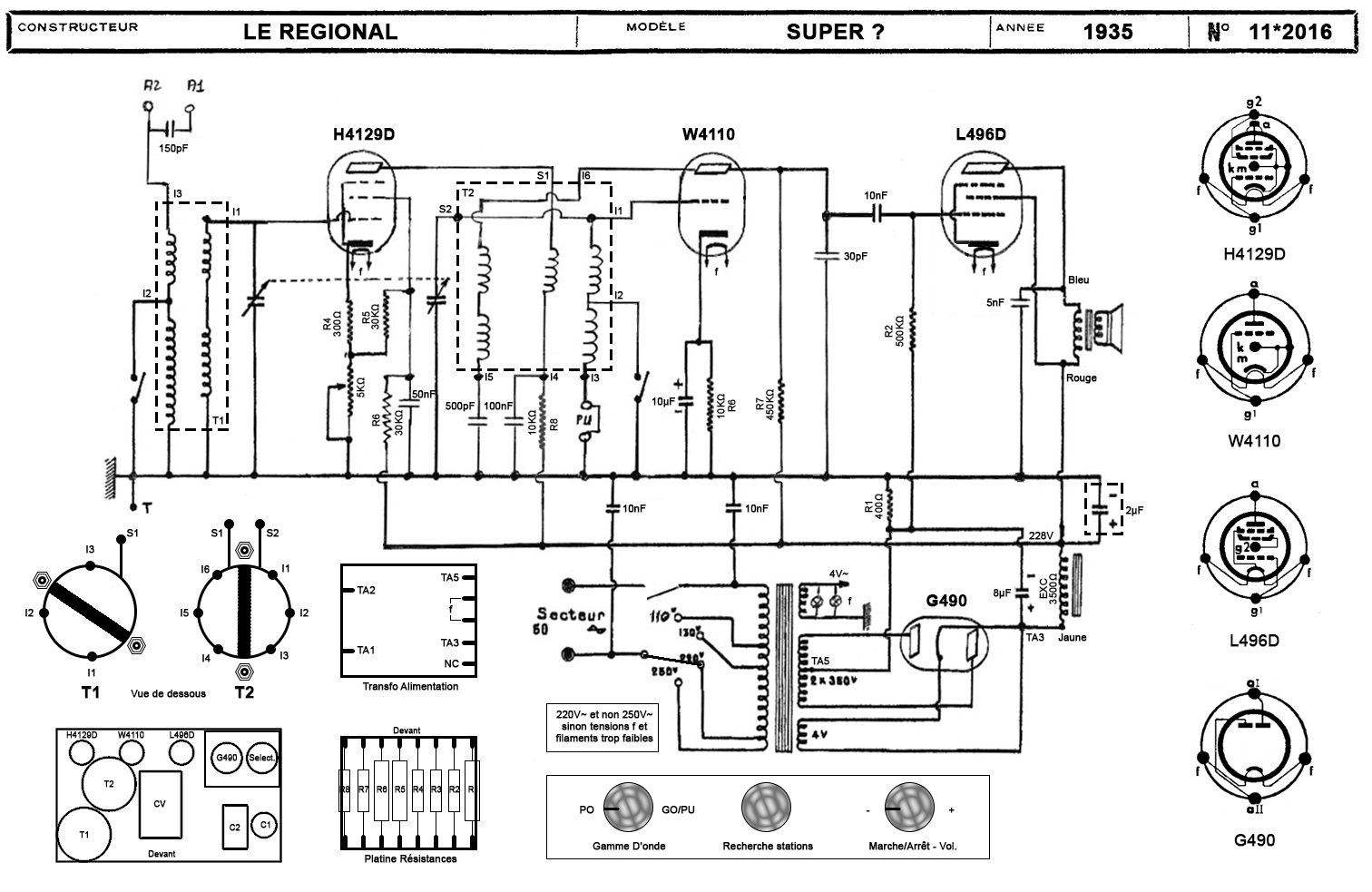
Document n° 53402
Nombre de fichiers : 1
Placé par : Murena
Origine :
www.lthimonnier.wix.com/murena
Mise en ligne : 04/12/2016
Schéma
En lien avec le modèle
Le Régional - Super 35
p. 1
Signaler un contenu erroné ou une anomalie