Modèles & Marques
GL
Documents
Docs
Annonces
Forum
Connexion
Base documentaire
Retrouvez les magazines dans notre nouvel espace avec visionneuse intégrée :
https://magazines.retrotechnique.org
Documents
->
Schémas, manuels de service
->
Schémas et manuels de service par marque et modèle
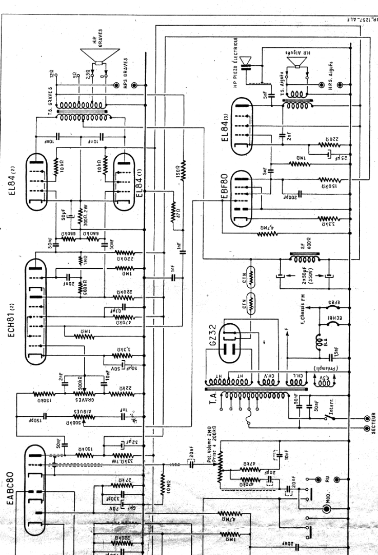
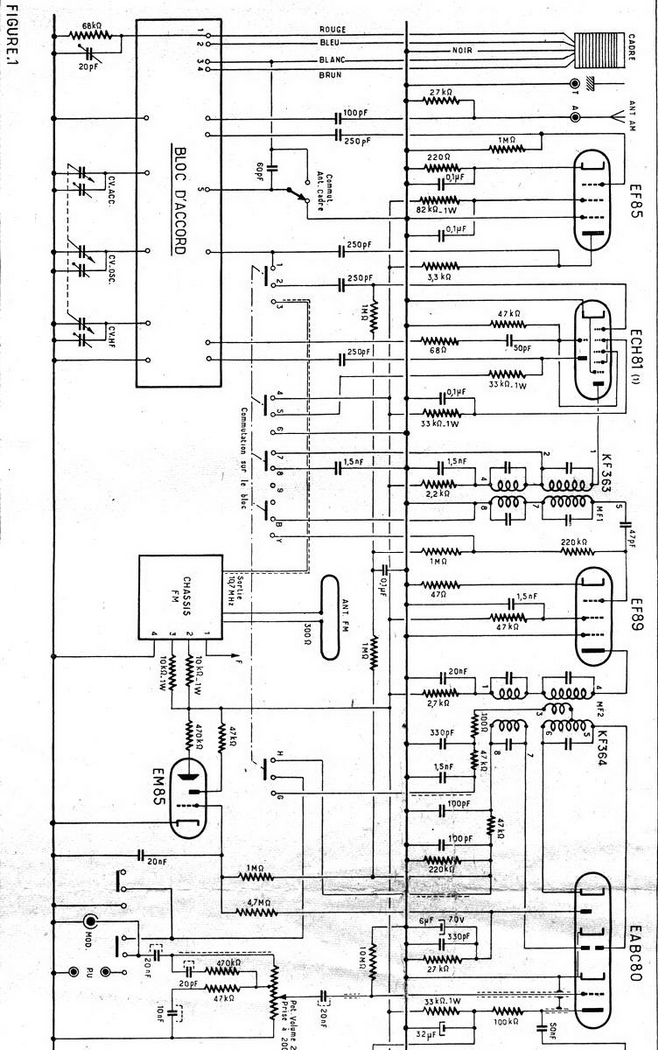
Document n° 53247
Nombre de fichiers : 2
Placé par : Jpa
Origine : revue radio plans n°122 de décembre 1957
Mise en ligne : 28/10/2016
Schéma
En lien avec le modèle
Alfar - FM bicanal 58 Radio-phono
p. 1
p. 2
Signaler un contenu erroné ou une anomalie