Modèles & Marques
GL
Documents
Docs
Annonces
Forum
Connexion
Base documentaire
Retrouvez les magazines dans notre nouvel espace avec visionneuse intégrée :
https://magazines.retrotechnique.org
Document n° 53235
Nombre de fichiers : 1
Placé par : Jean-michel_bourque
Origine : Claude Evrard
Mise en ligne : 23/10/2016
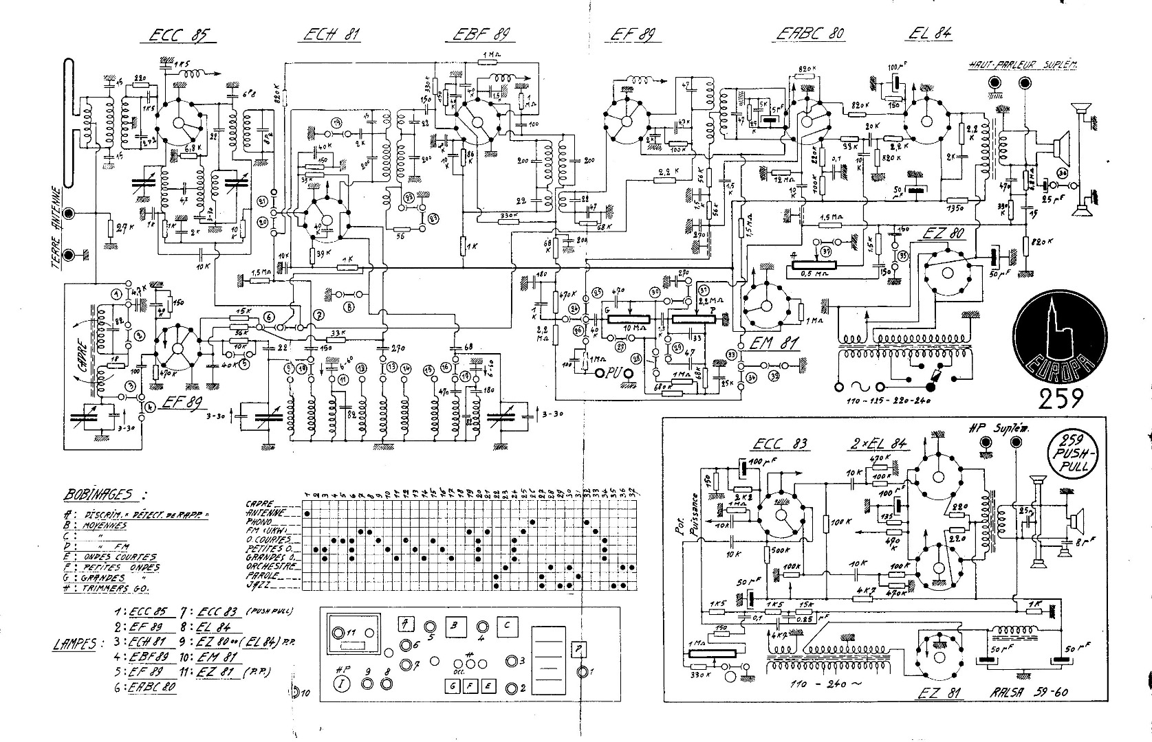
Ralsa Europa 259 et 259 Push-pull Schéma
Parution : 0
En lien avec les modèles
Ralsa - Europa 259
Ralsa - Europa 259 Push-pull
p. 1
Signaler un contenu erroné ou une anomalie