Modèles & Marques
GL
Documents
Docs
Annonces
Forum
Connexion
Base documentaire
Retrouvez les magazines dans notre nouvel espace avec visionneuse intégrée :
https://magazines.retrotechnique.org
Documents
->
Schémas, manuels de service
->
Schémas et manuels de service par marque et modèle
Document n° 52874
Nombre de fichiers : 1
Placé par : Bozec
Origine : le samaritain
Mise en ligne : 29/07/2016
Schéma
En lien avec le modèle
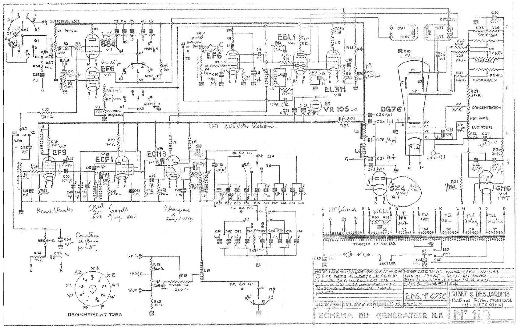
Ribet Desjardins - 475 C Générateur Wobuloscope HF
p. 1
Signaler un contenu erroné ou une anomalie