Modèles & Marques
GL
Documents
Docs
Annonces
Forum
Connexion
Base documentaire
Retrouvez les magazines dans notre nouvel espace avec visionneuse intégrée :
https://magazines.retrotechnique.org
Document n° 52528
Nombre de fichiers : 1
Placé par : Miky
Origine : Miky
Mise en ligne : 15/05/2016
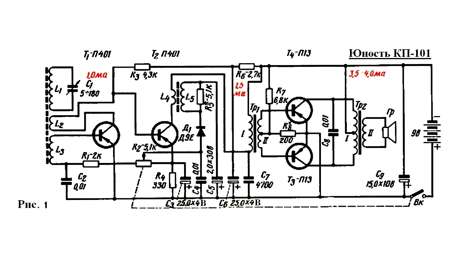
Schéma
En lien avec le modèle
Moskovsky Priborostroitelny - Junost KP-101
p. 1
Signaler un contenu erroné ou une anomalie