Modèles & Marques
GL
Documents
Docs
Annonces
Forum
Connexion
Base documentaire
Retrouvez les magazines dans notre nouvel espace avec visionneuse intégrée :
https://magazines.retrotechnique.org
Document n° 52449
Nombre de fichiers : 1
Placé par : Miky
Origine : Web
Mise en ligne : 01/05/2016
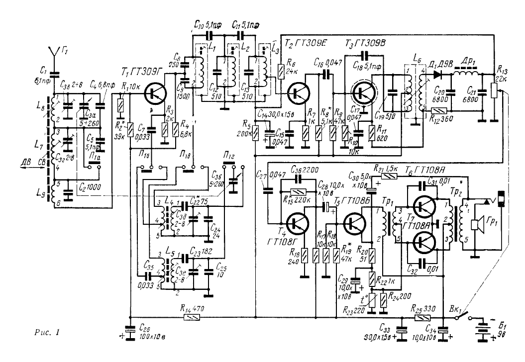
Schéma
En lien avec le modèle
Dnepropetrovsk Radio Works - Jupiter
p. 1
Signaler un contenu erroné ou une anomalie