Modèles & Marques
GL
Documents
Docs
Annonces
Forum
Connexion
Base documentaire
Retrouvez les magazines dans notre nouvel espace avec visionneuse intégrée :
https://magazines.retrotechnique.org
Document n° 50840
Nombre de fichiers : 1
Placé par : Radioman33
Origine : Doc technique perso
Mise en ligne : 20/11/2015
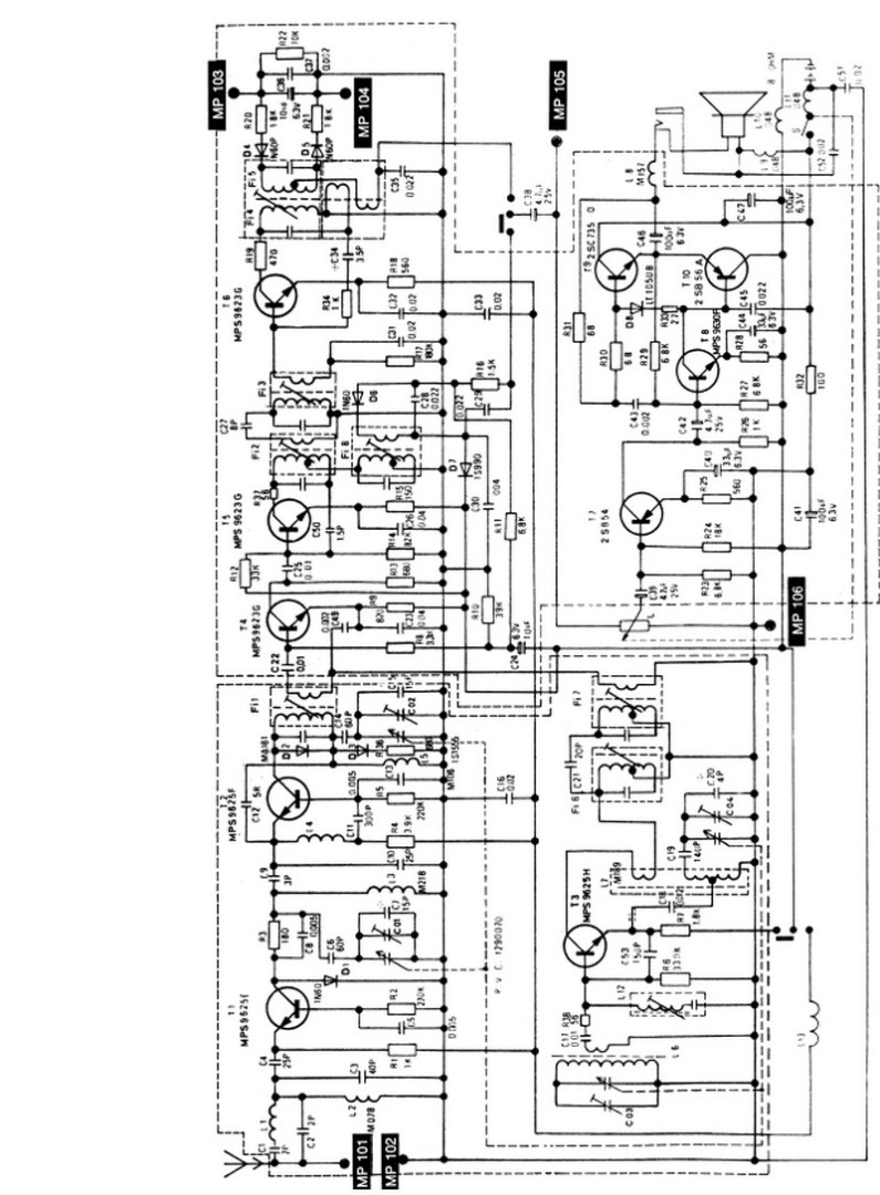
Schéma
En lien avec le modèle
Imperial (D) - RP 12
p. 1
Signaler un contenu erroné ou une anomalie