Modèles & Marques
GL
Documents
Docs
Annonces
Forum
Connexion
Base documentaire
Retrouvez les magazines dans notre nouvel espace avec visionneuse intégrée :
https://magazines.retrotechnique.org
Document n° 49559
Nombre de fichiers : 2
Placé par : Guigon_michel
Origine : Copie documentation personnelle
Mise en ligne : 09/07/2015
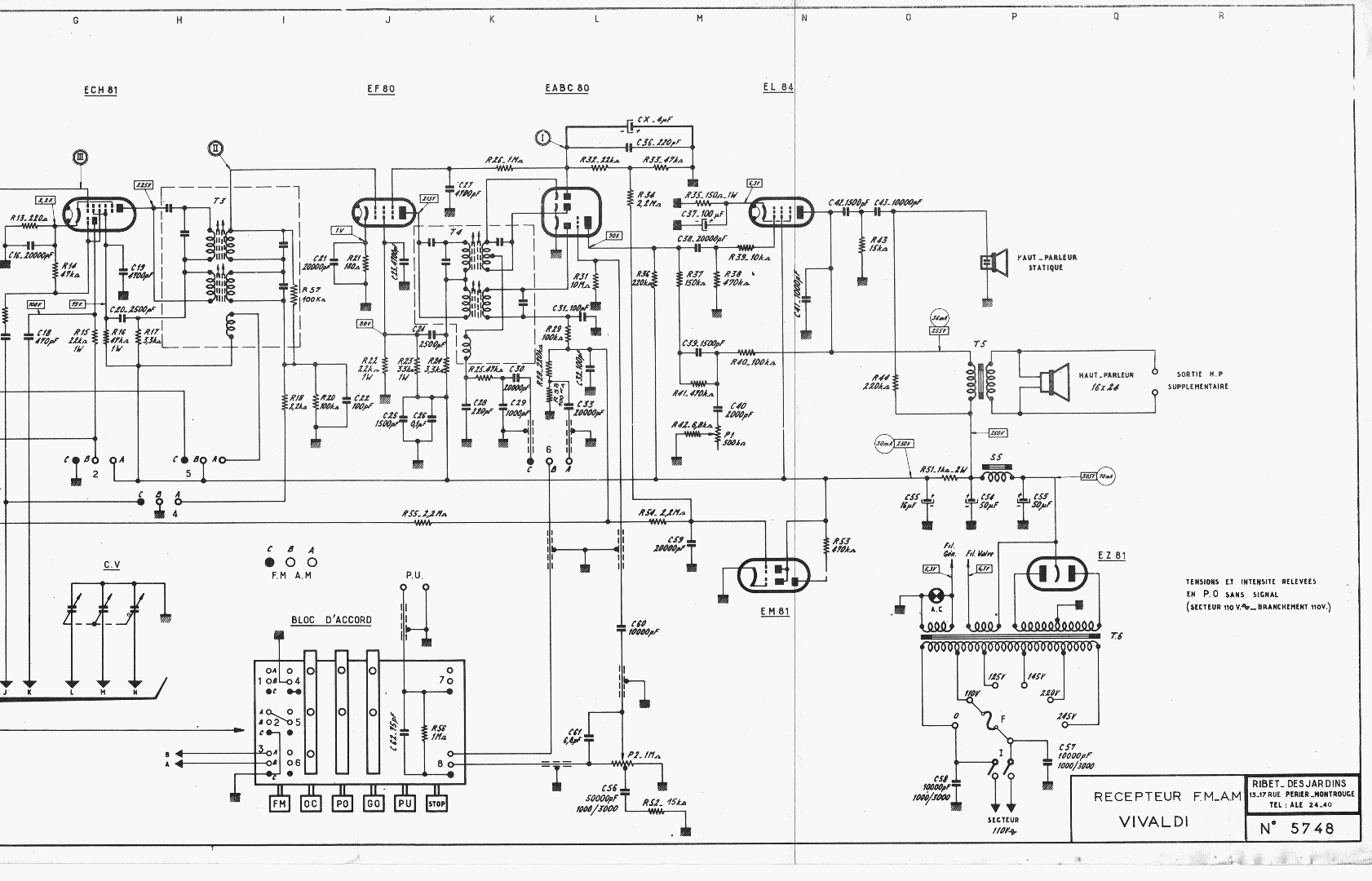
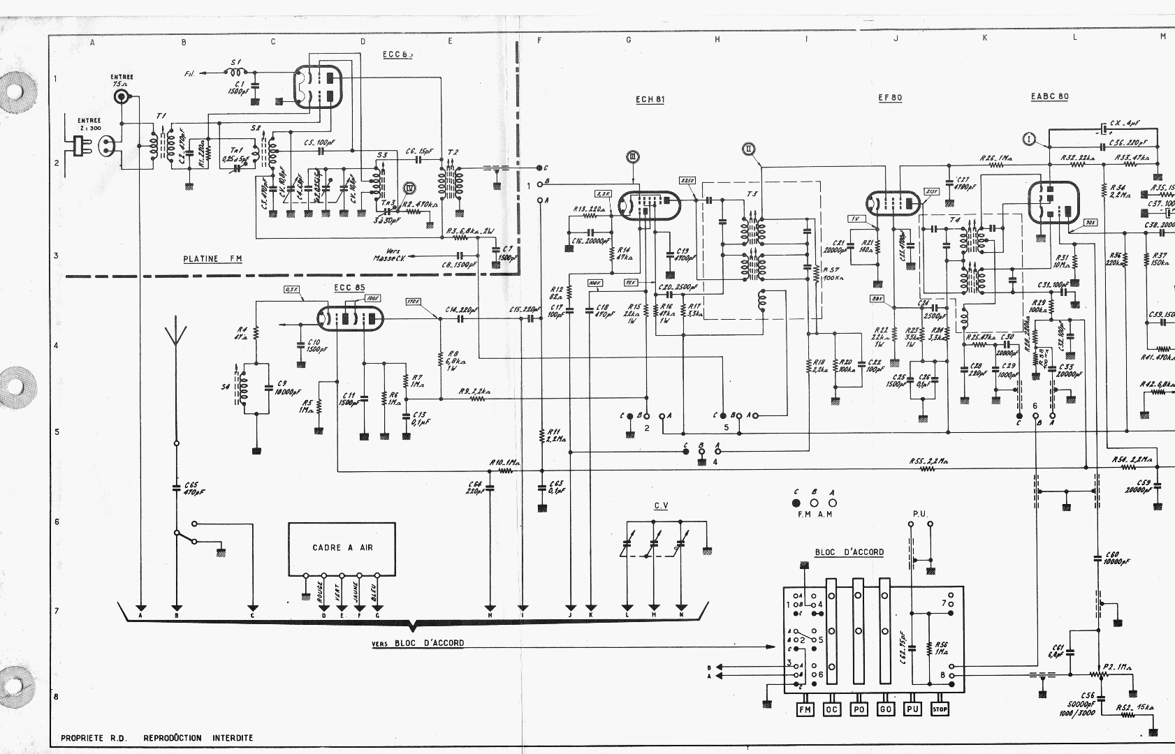
Ribet Desjardins Vivaldi Schéma
Parution : 0
En lien avec le modèle
Ribet Desjardins - Vivaldi
p. 1
p. 2
Signaler un contenu erroné ou une anomalie