Modèles & Marques
GL
Documents
Docs
Annonces
Forum
Connexion
Base documentaire
Retrouvez les magazines dans notre nouvel espace avec visionneuse intégrée :
https://magazines.retrotechnique.org
Document n° 44004
Nombre de fichiers : 1
Placé par : Boisbieux
Mise en ligne : 27/10/2014
Imperial50GW.jpg
En lien avec le modèle
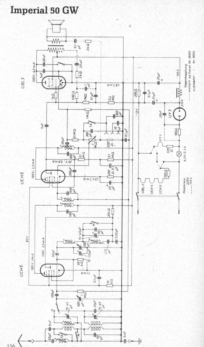
Continental (D) - Imperial 50 GW
Imperial50GW.jpg
Signaler un contenu erroné ou une anomalie