Modèles & Marques
GL
Documents
Docs
Annonces
Forum
Connexion
Base documentaire
Retrouvez les magazines dans notre nouvel espace avec visionneuse intégrée :
https://magazines.retrotechnique.org
Document n° 44003
Nombre de fichiers : 1
Placé par : Boisbieux
Mise en ligne : 27/10/2014
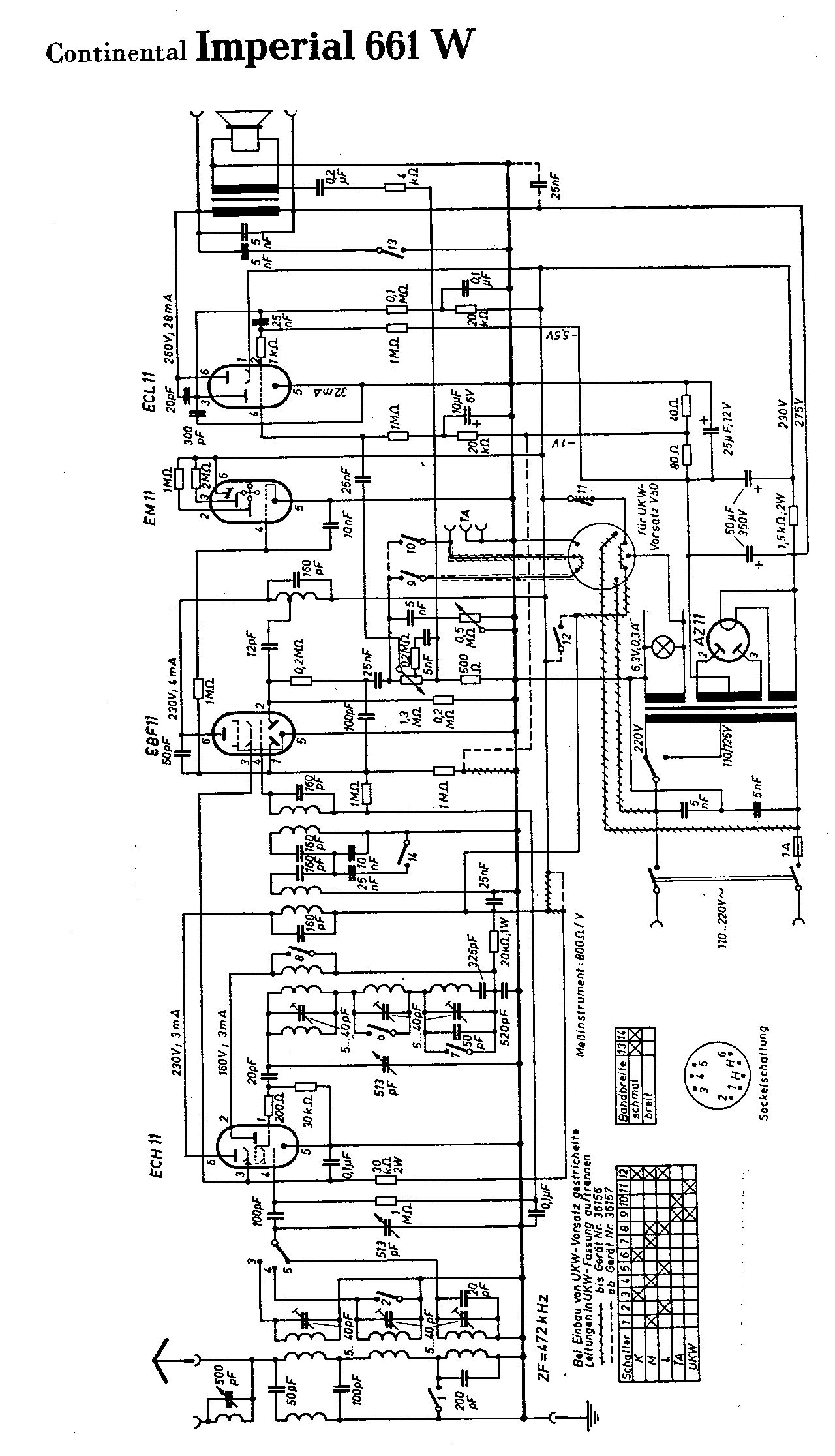
661W.jpg
En lien avec le modèle
Continental (D) - 661 W
661W.jpg
Signaler un contenu erroné ou une anomalie