Modèles & Marques
GL
Documents
Docs
Annonces
Forum
Connexion
Base documentaire
Retrouvez les magazines dans notre nouvel espace avec visionneuse intégrée :
https://magazines.retrotechnique.org
Document n° 43886
Nombre de fichiers : 2
Placé par : Boisbieux
Mise en ligne : 27/10/2014
Potsdam-Variante.jpg
En lien avec le modèle
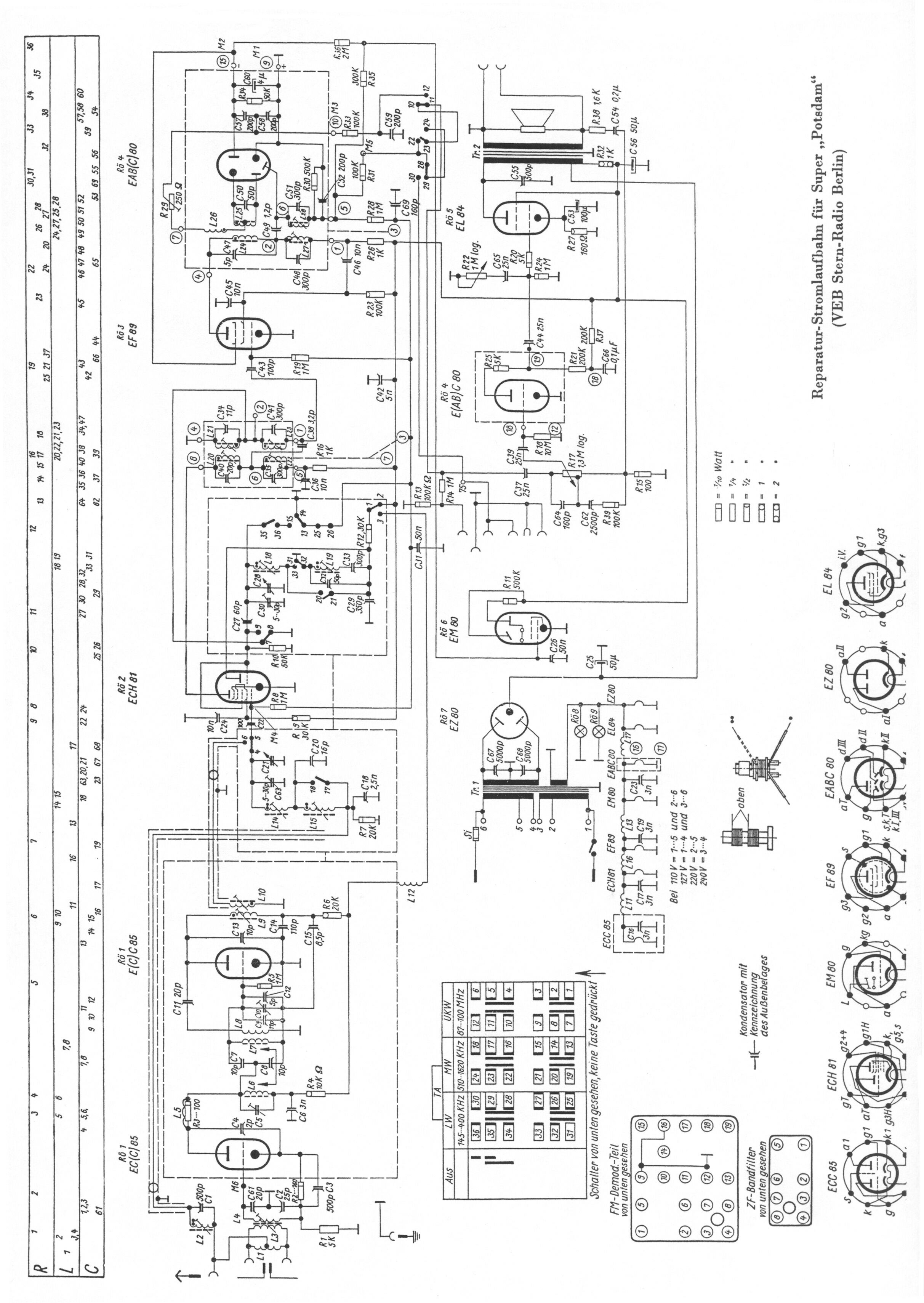
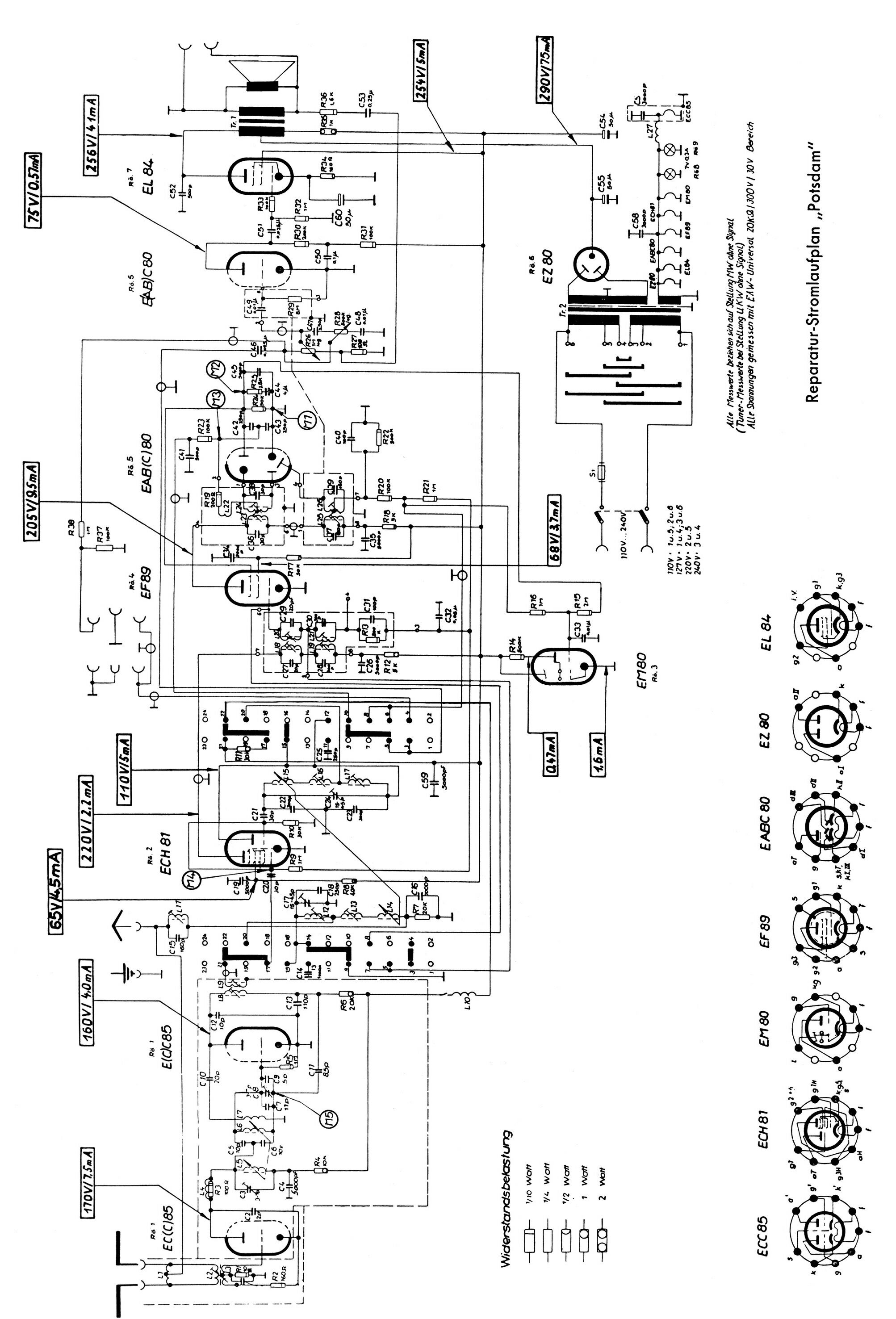
Stern-Radio Berlin - Super Potsdam W
Potsdam-Variante.jpg
Potsdam.jpg
Signaler un contenu erroné ou une anomalie