Modèles & Marques
GL
Documents
Docs
Annonces
Forum
Connexion
Base documentaire
Retrouvez les magazines dans notre nouvel espace avec visionneuse intégrée :
https://magazines.retrotechnique.org
Document n° 43880
Nombre de fichiers : 1
Placé par : Boisbieux
Mise en ligne : 27/10/2014
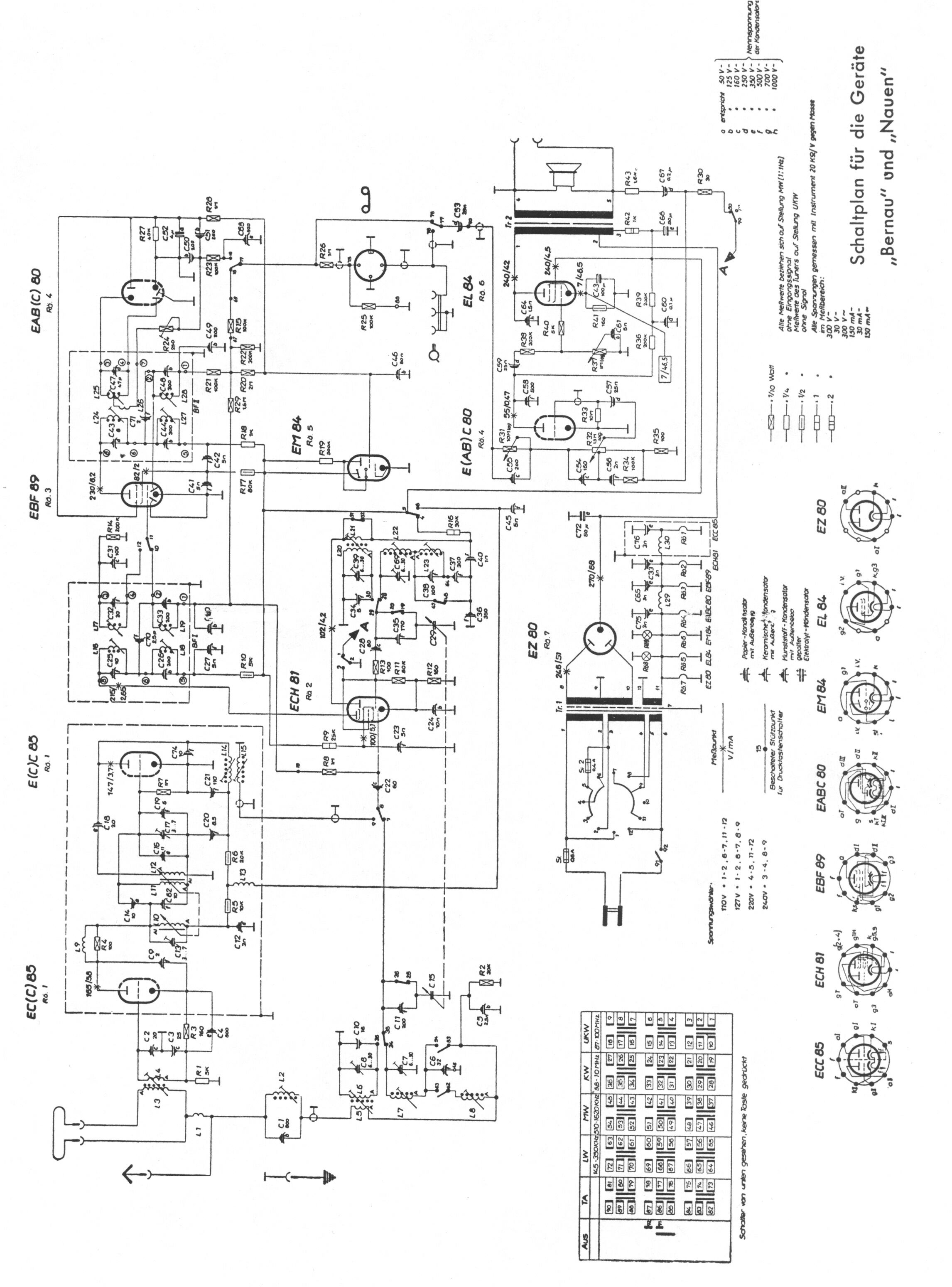
Bernau-Nauen.jpg
En lien avec le modèle
Stern-Radio Berlin - 1133 Bernau / Nauen 1-0
Bernau-Nauen.jpg
Signaler un contenu erroné ou une anomalie