Modèles & Marques
GL
Documents
Docs
Annonces
Forum
Connexion
Base documentaire
Retrouvez les magazines dans notre nouvel espace avec visionneuse intégrée :
https://magazines.retrotechnique.org
Documents
->
Schémas, manuels de service
->
Schémas et manuels de service par marque et modèle
Document n° 43849
Nombre de fichiers : 1
Placé par : Boisbieux
Mise en ligne : 26/10/2014
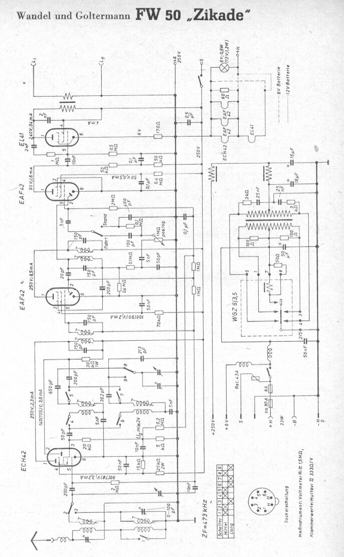
FW50-Zikade-.jpg
En lien avec le modèle
Wandel & Goltermann - FW 50-Zikade
FW50-Zikade-.jpg
Signaler un contenu erroné ou une anomalie