Modèles & Marques
GL
Documents
Docs
Annonces
Forum
Connexion
Base documentaire
Retrouvez les magazines dans notre nouvel espace avec visionneuse intégrée :
https://magazines.retrotechnique.org
Document n° 43508
Nombre de fichiers : 1
Placé par : Boisbieux
Mise en ligne : 26/10/2014
99.gif
En lien avec le modèle
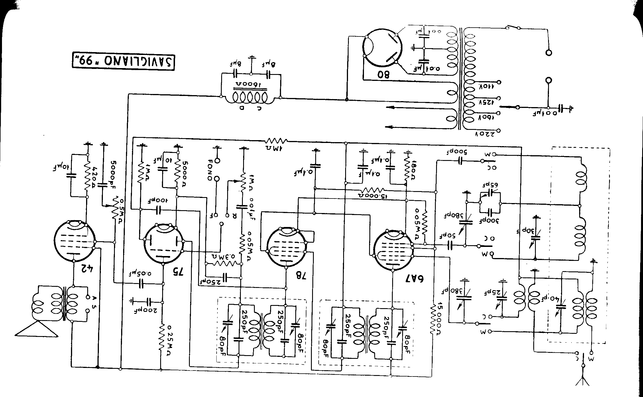
Savigliano - 99
99.gif
Signaler un contenu erroné ou une anomalie