Modèles & Marques
GL
Documents
Docs
Annonces
Forum
Connexion
Base documentaire
Retrouvez les magazines dans notre nouvel espace avec visionneuse intégrée :
https://magazines.retrotechnique.org
Documents
->
Schémas, manuels de service
->
Schémas et manuels de service par marque et modèle
Document n° 43497
Nombre de fichiers : 1
Placé par : Boisbieux
Mise en ligne : 26/10/2014
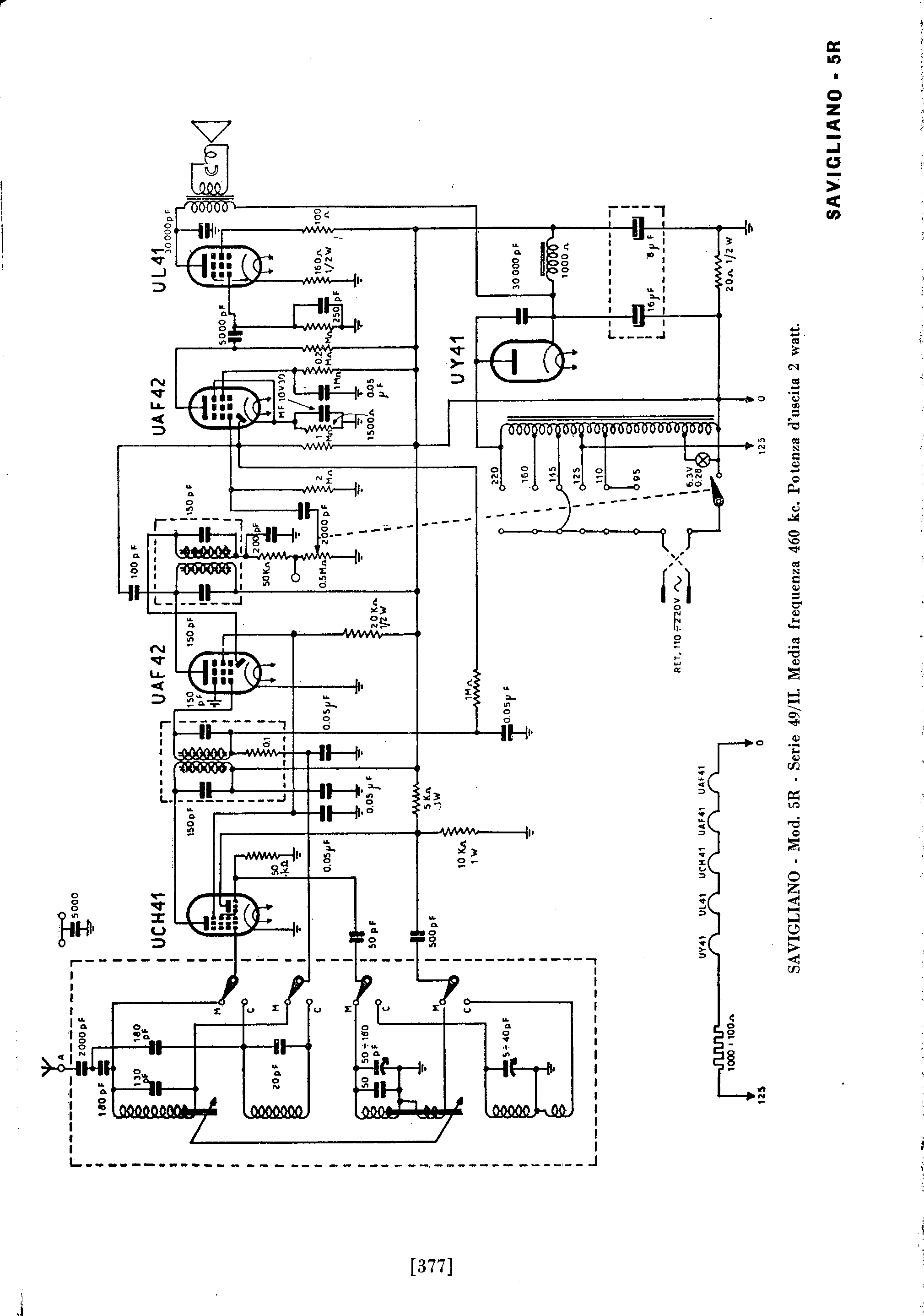
5r.gif
En lien avec le modèle
Savigliano - 5 R 49
5r.gif
Signaler un contenu erroné ou une anomalie