Modèles & Marques
GL
Documents
Docs
Annonces
Forum
Connexion
Base documentaire
Retrouvez les magazines dans notre nouvel espace avec visionneuse intégrée :
https://magazines.retrotechnique.org
Documents
->
Schémas, manuels de service
->
Schémas et manuels de service par marque et modèle
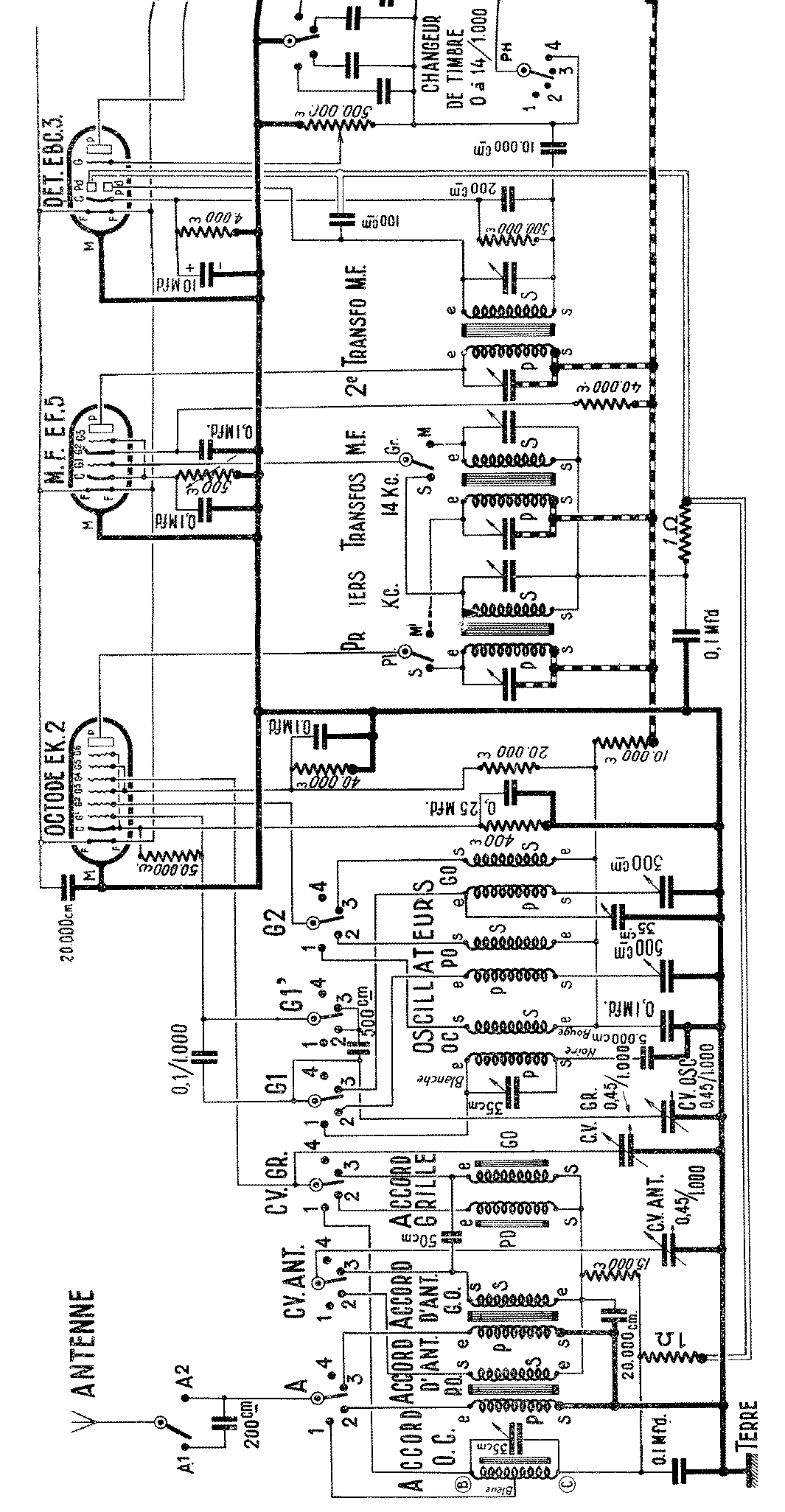
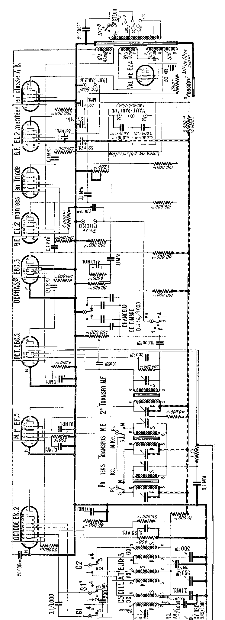
Document n° 4324
Nombre de fichiers : 5
Placé par : Aufils Raynal
Origine : Radio Plans 1936
Mise en ligne : 26/02/2009
VAS 93 S
Parution : 1936
En lien avec le modèle
Vulcain - VA 93 S
p. 1
p. 2
p. 3
p. 4
p. 5
Signaler un contenu erroné ou une anomalie