Modèles & Marques
GL
Documents
Docs
Annonces
Forum
Connexion
Base documentaire
Retrouvez les magazines dans notre nouvel espace avec visionneuse intégrée :
https://magazines.retrotechnique.org
Documents
->
Schémas, manuels de service
->
Schémas et manuels de service par marque et modèle
Document n° 43035
Nombre de fichiers : 1
Placé par : Boisbieux
Mise en ligne : 25/10/2014
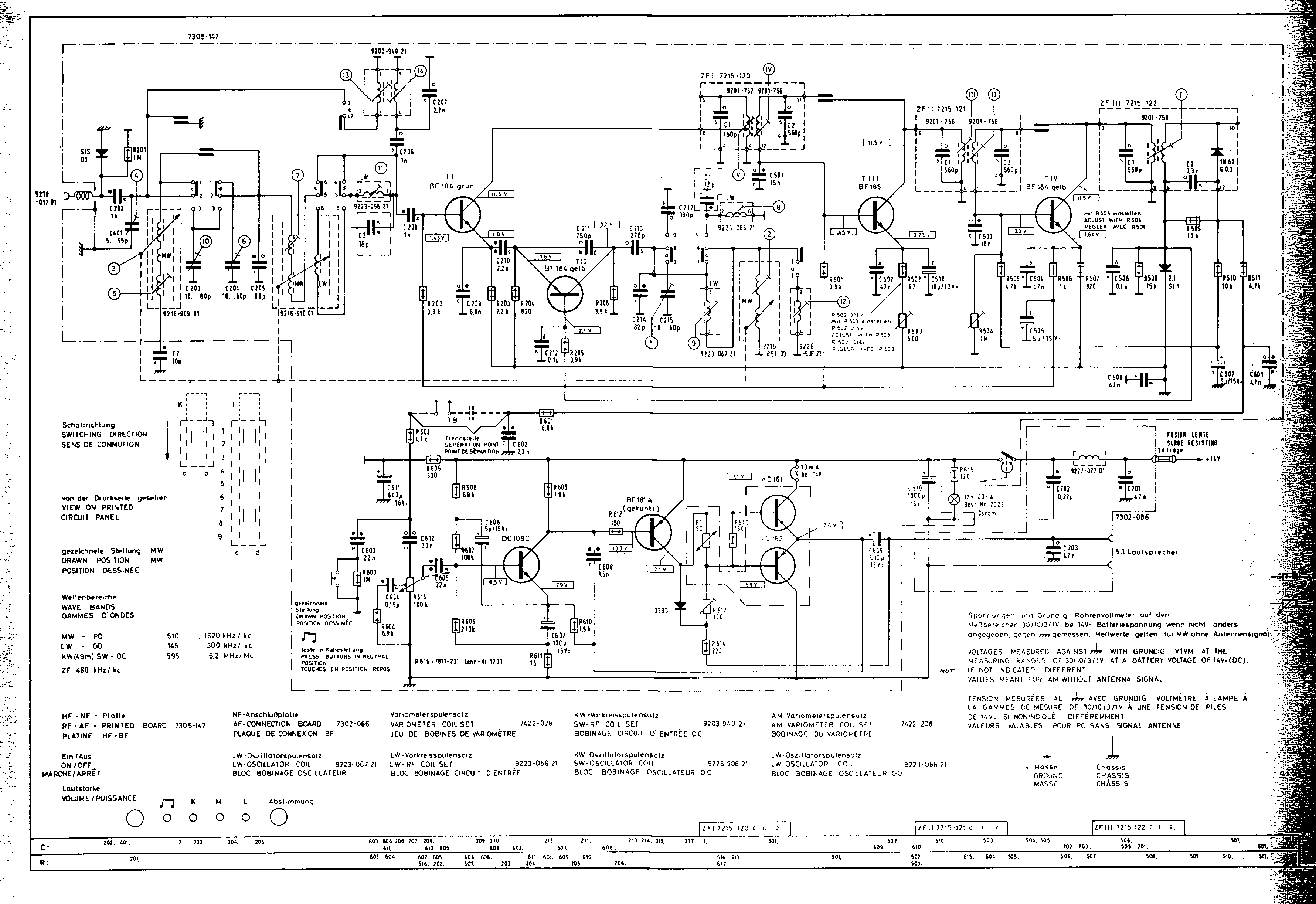
Grundig Weltklang 3000 Schéma
Parution : 0
En lien avec le modèle
Grundig - Weltklang 3000
Grundig-Weltklang-3000-1967-diagram.png
Signaler un contenu erroné ou une anomalie