Modèles & Marques
GL
Documents
Docs
Annonces
Forum
Connexion
Base documentaire
Retrouvez les magazines dans notre nouvel espace avec visionneuse intégrée :
https://magazines.retrotechnique.org
Documents
->
Schémas, manuels de service
->
Schémas et manuels de service par marque et modèle
Document n° 43017
Nombre de fichiers : 1
Placé par : Boisbieux
Mise en ligne : 25/10/2014
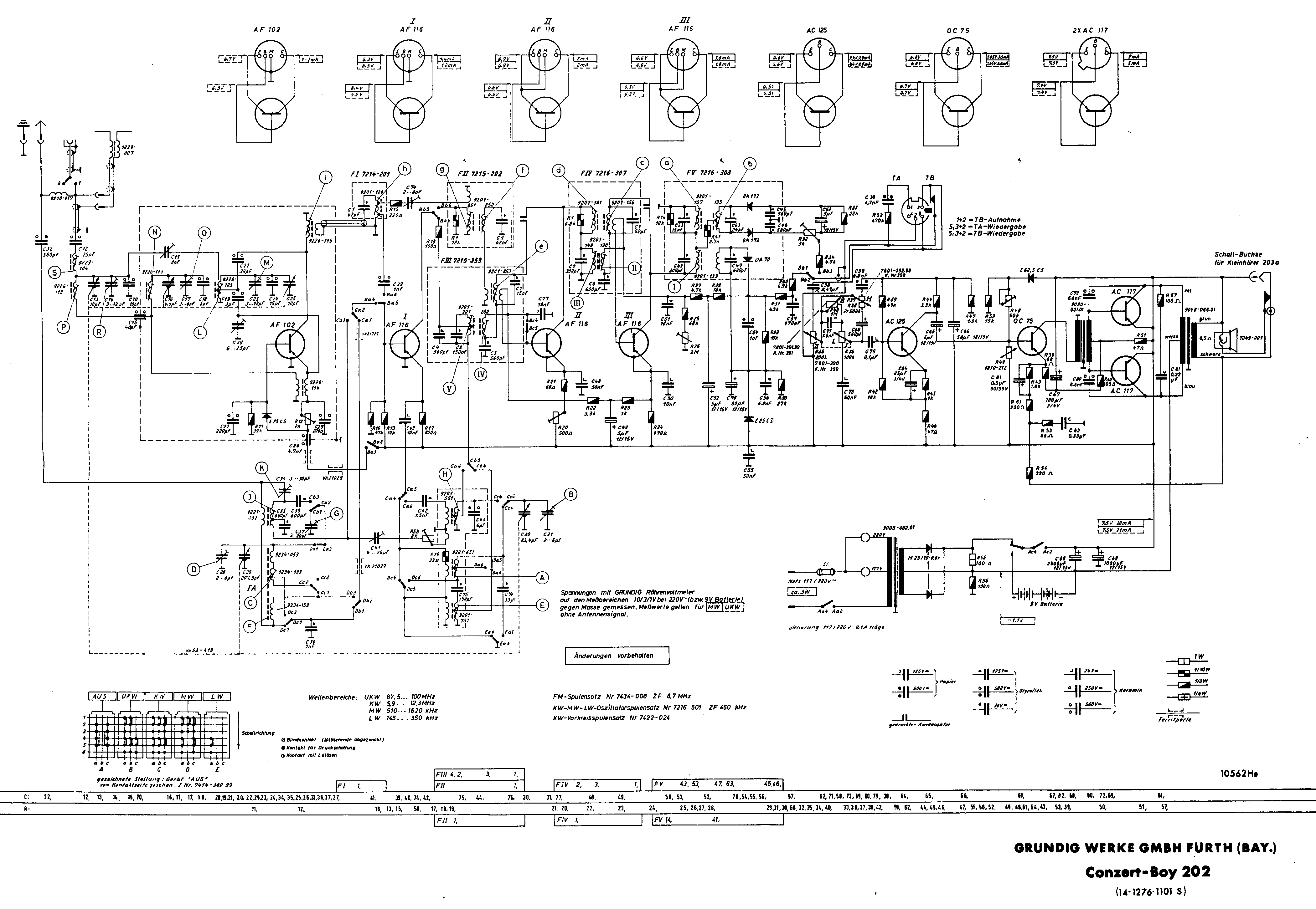
Grundig-Conzert Boy-202-1962-Diagram.png
En lien avec le modèle
Grundig - Concert Boy 202
Grundig-Conzert Boy-202-1962-Diagram.png
Signaler un contenu erroné ou une anomalie