Modèles & Marques
GL
Documents
Docs
Annonces
Forum
Connexion
Base documentaire
Retrouvez les magazines dans notre nouvel espace avec visionneuse intégrée :
https://magazines.retrotechnique.org
Document n° 43010
Nombre de fichiers : 1
Placé par : Boisbieux
Mise en ligne : 25/10/2014
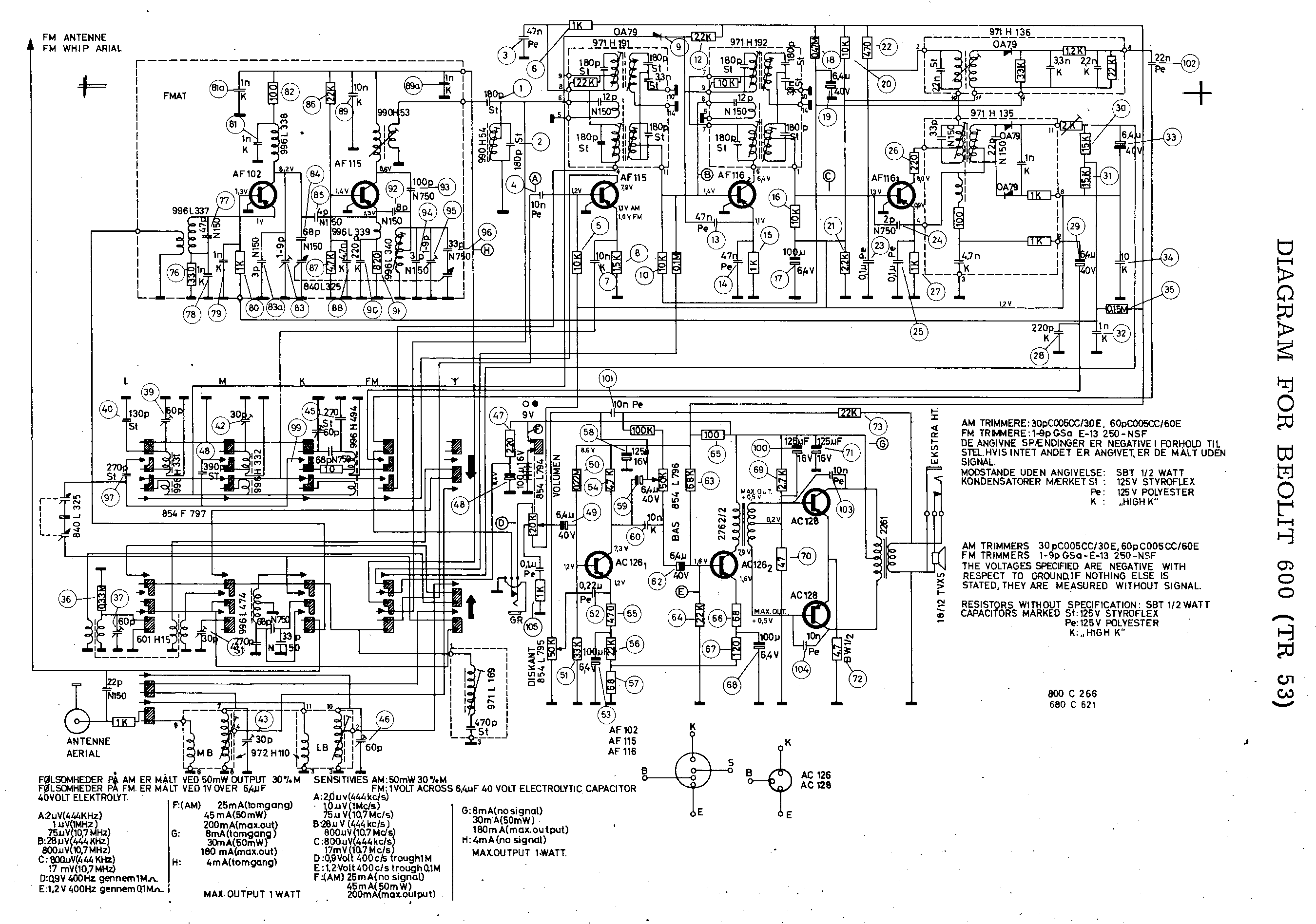
B&O-Beolit 600-1202-1965-diagram.png
En lien avec le modèle
Bang & Olufsen - B&O - Béolit 600 TR 53
B&O-Beolit 600-1202-1965-diagram.png
Signaler un contenu erroné ou une anomalie