Modèles & Marques
GL
Documents
Docs
Annonces
Forum
Connexion
Base documentaire
Retrouvez les magazines dans notre nouvel espace avec visionneuse intégrée :
https://magazines.retrotechnique.org
Document n° 43005
Nombre de fichiers : 6
Placé par : Boisbieux
Mise en ligne : 25/10/2014
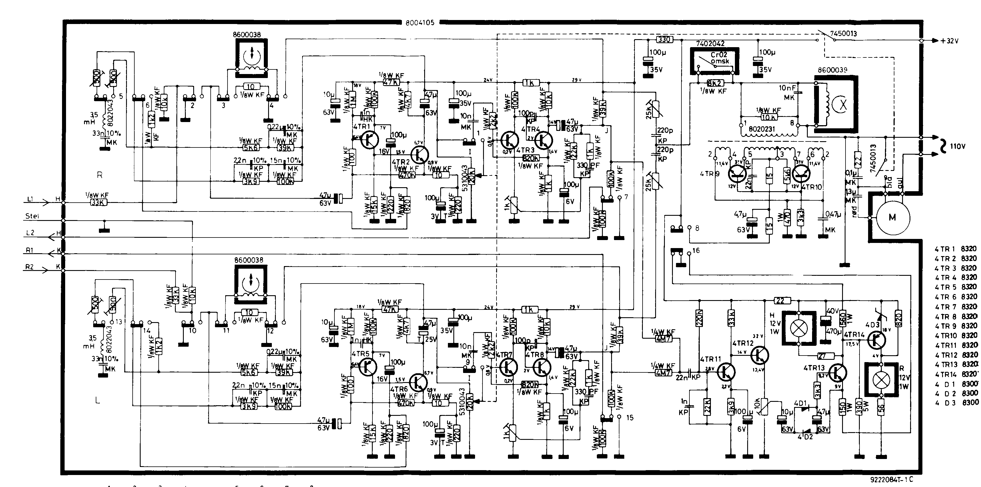
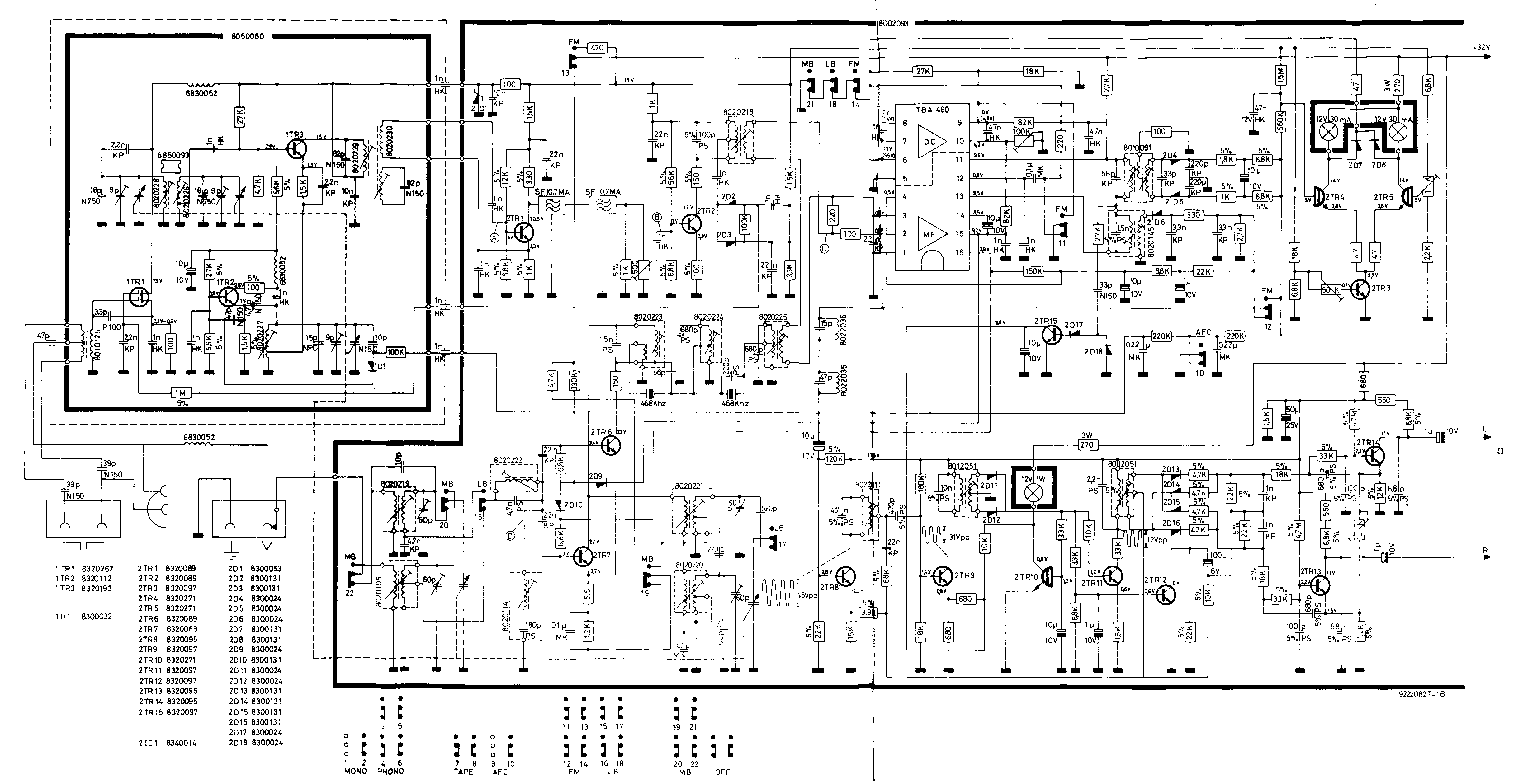
B&O-Beocenter 1400-2604-1973-diagram 1.png
En lien avec le modèle
Bang & Olufsen - B&O - Beocenter 1400-2604
B&O-Beocenter 1400-2604-1973-diagram 1.png
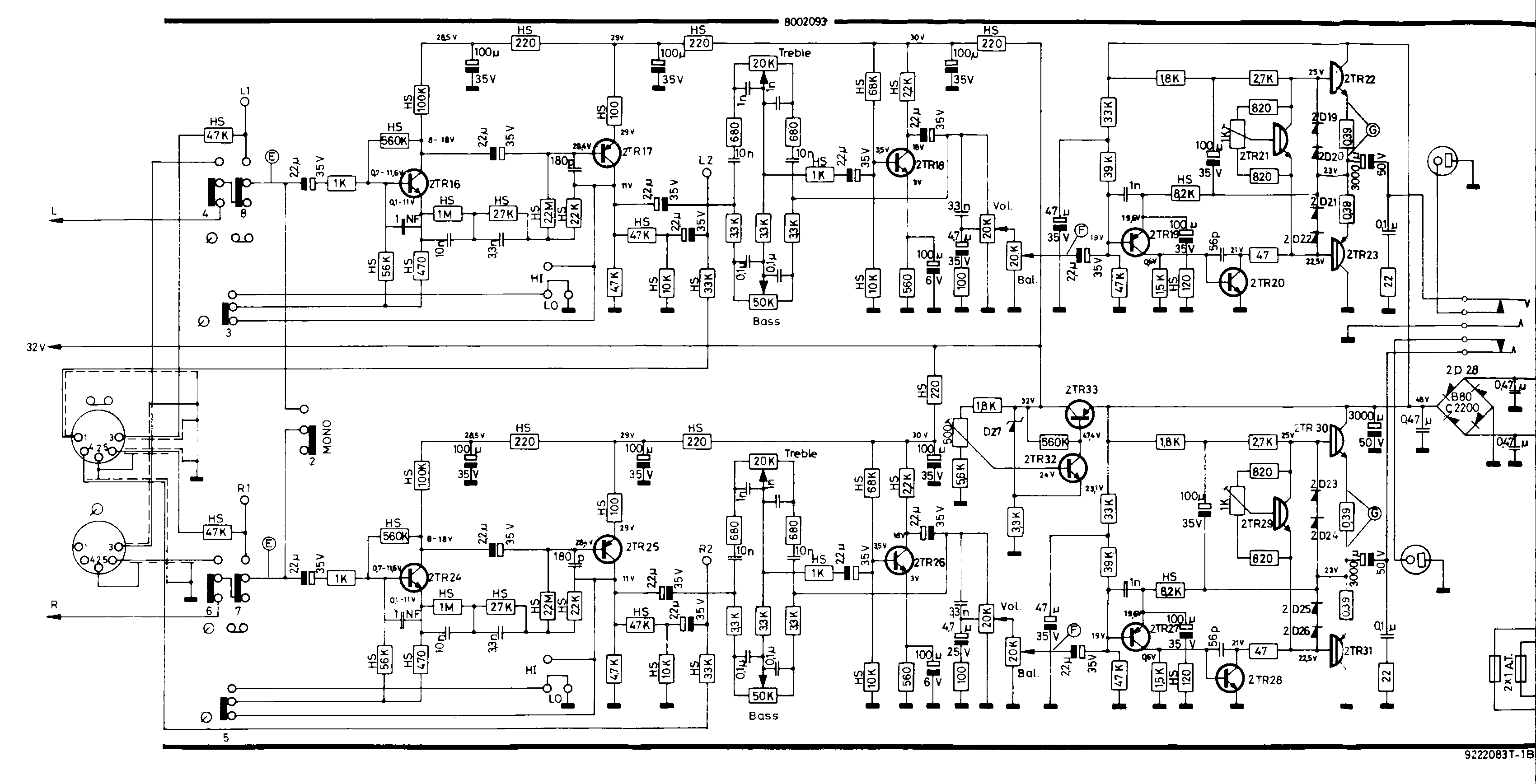
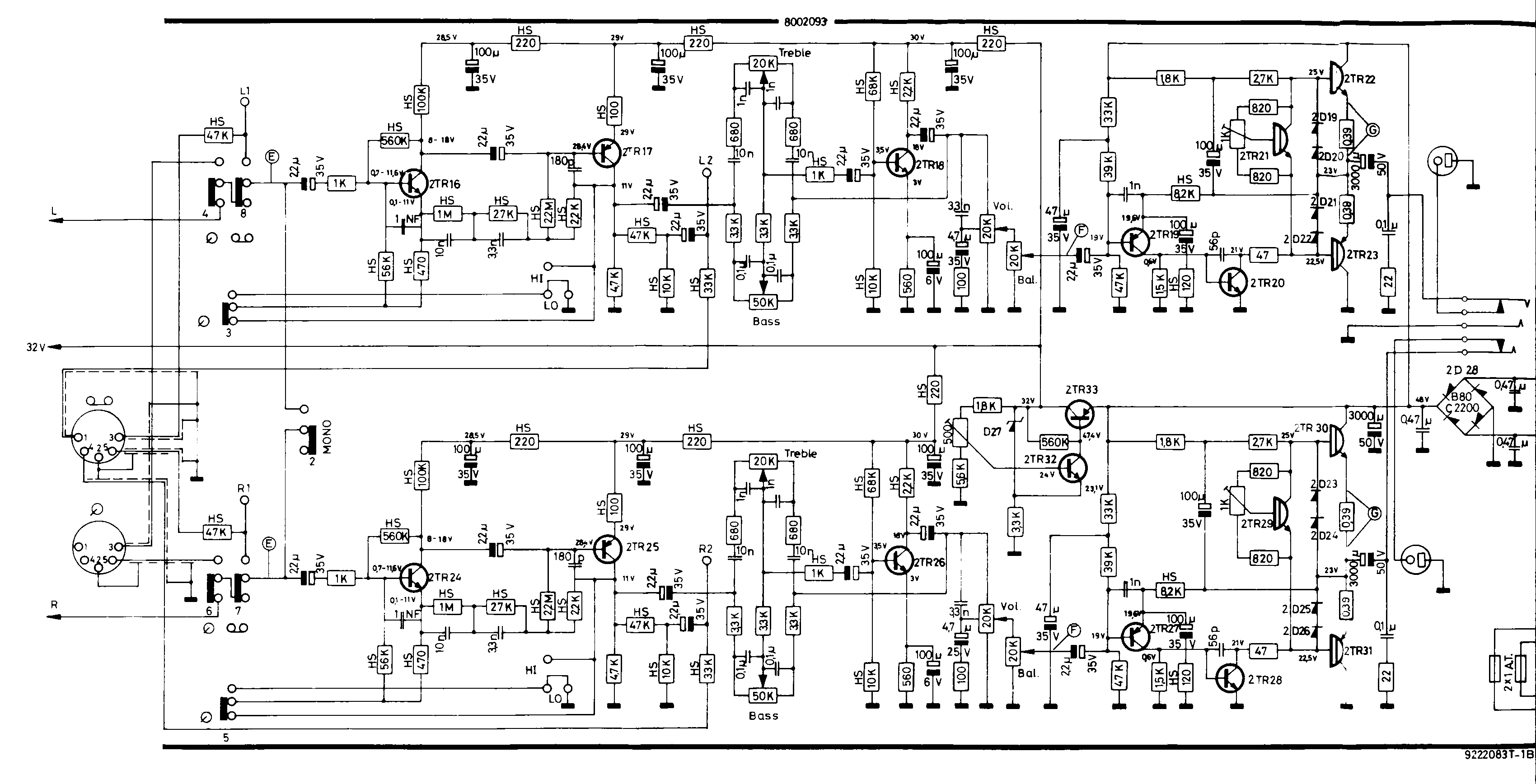
B&O-Beocenter 1400-2604-1973-diagram 2.png
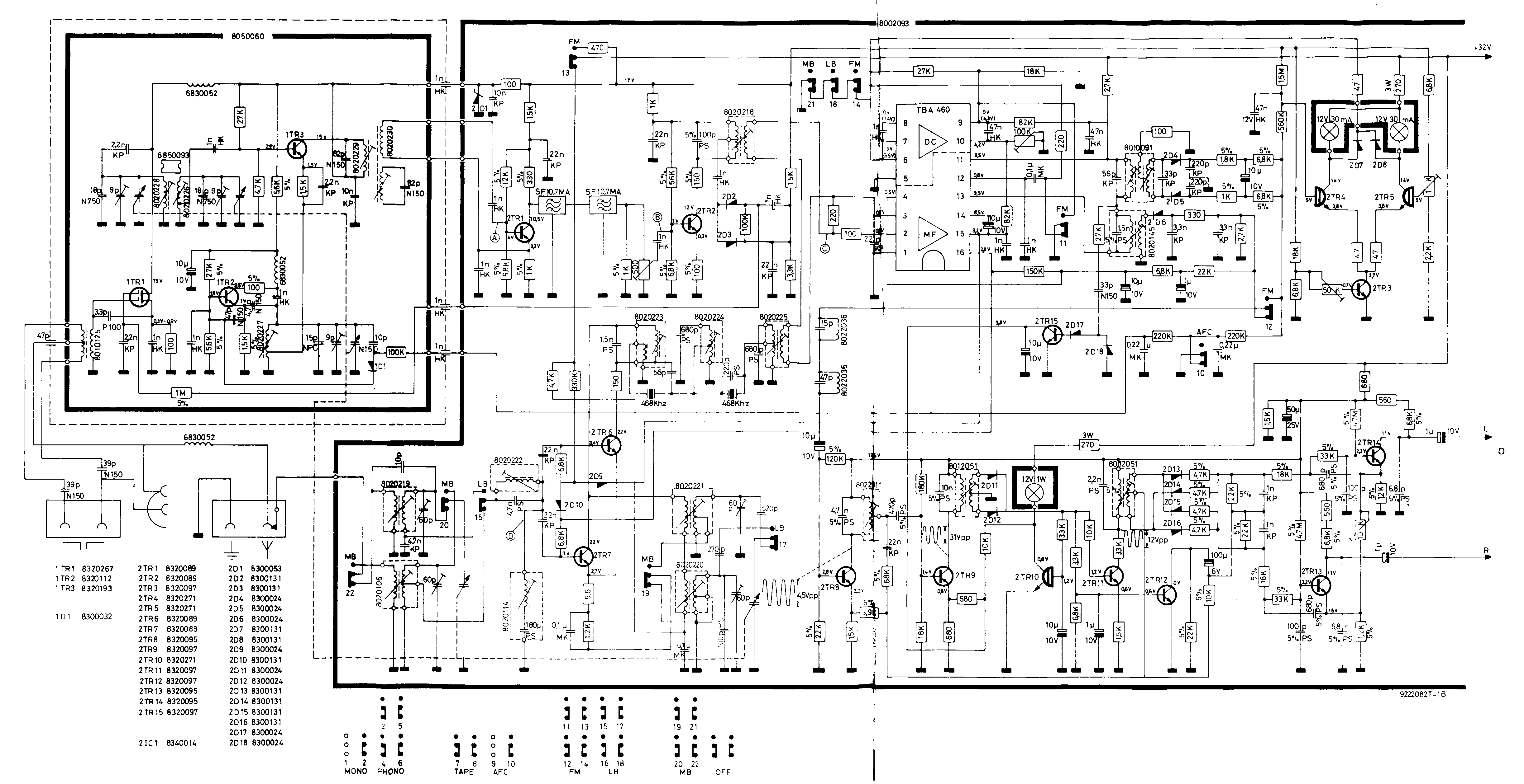
B&O-Beocenter 1400-2604-1973-diagram 3.png
B&O-Beocenter 1400-2604-z-diagram 1.png
B&O-Beocenter 1400-2604-z-diagram 2.png
B&O-Beocenter 1400-2604-z-diagram 3.png
Signaler un contenu erroné ou une anomalie