Modèles & Marques
GL
Documents
Docs
Annonces
Forum
Connexion
Base documentaire
Retrouvez les magazines dans notre nouvel espace avec visionneuse intégrée :
https://magazines.retrotechnique.org
Document n° 42833
Nombre de fichiers : 1
Placé par : Boisbieux
Mise en ligne : 21/10/2014
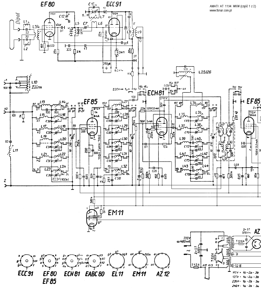
Amati AT 1194WKW_B.gif
En lien avec le modèle
E.A.W. - Amati 1194 WKU
Amati AT 1194WKW_B.gif
Signaler un contenu erroné ou une anomalie