Modèles & Marques
GL
Documents
Docs
Annonces
Forum
Connexion
Base documentaire
Retrouvez les magazines dans notre nouvel espace avec visionneuse intégrée :
https://magazines.retrotechnique.org
Documents
->
Schémas, manuels de service
->
Schémas et manuels de service par marque et modèle
Document n° 4266
Nombre de fichiers : 1
Placé par : Aufils Raynal
Origine : Radio Constructeur et Dépanneur 1960
Mise en ligne : 21/02/2009
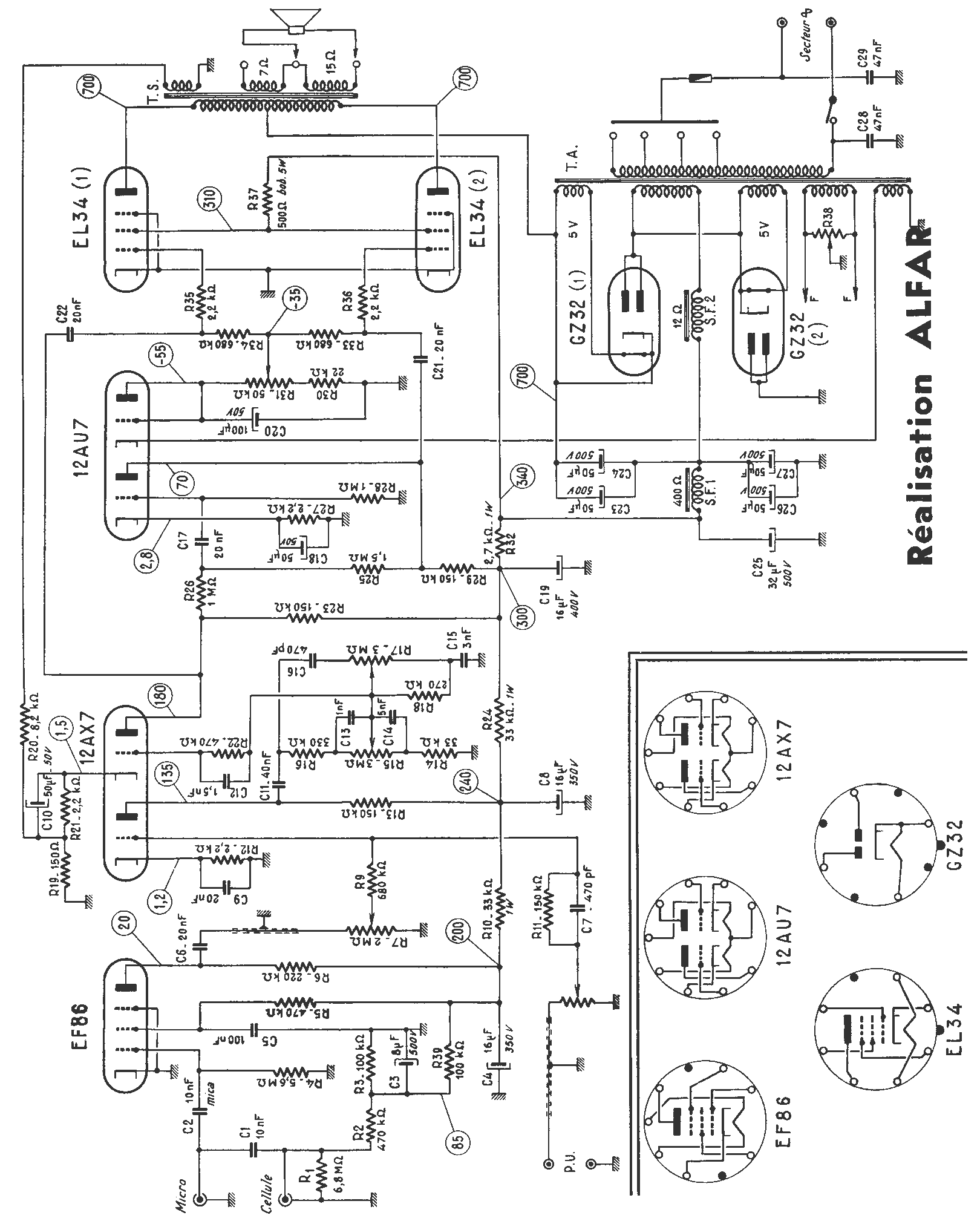
Amplificateur 70W
Parution : 1959
En lien avec le modèle
Alfar - Amplificateur 70W
p. 1
Signaler un contenu erroné ou une anomalie