Modèles & Marques
GL
Documents
Docs
Annonces
Forum
Connexion
Base documentaire
Retrouvez les magazines dans notre nouvel espace avec visionneuse intégrée :
https://magazines.retrotechnique.org
Document n° 42653
Nombre de fichiers : 1
Placé par : Boisbieux
Mise en ligne : 19/10/2014
447U.jpg
En lien avec le modèle
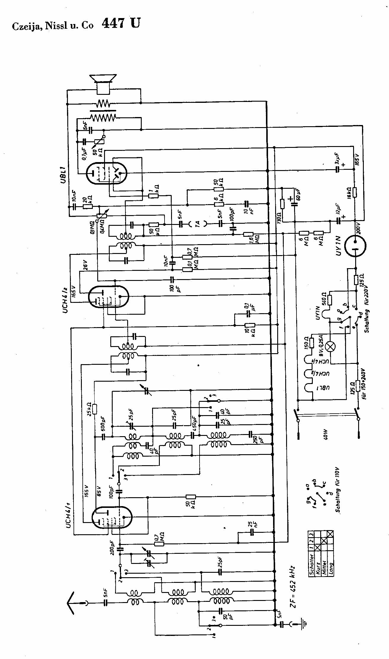
Czeija, Nissl & Co - 447 U
447U.jpg
Signaler un contenu erroné ou une anomalie