Modèles & Marques
GL
Documents
Docs
Annonces
Forum
Connexion
Base documentaire
Retrouvez les magazines dans notre nouvel espace avec visionneuse intégrée :
https://magazines.retrotechnique.org
Documents
->
Schémas, manuels de service
->
Schémas et manuels de service par marque et modèle
Document n° 42580
Nombre de fichiers : 1
Placé par : Boisbieux
Mise en ligne : 18/10/2014
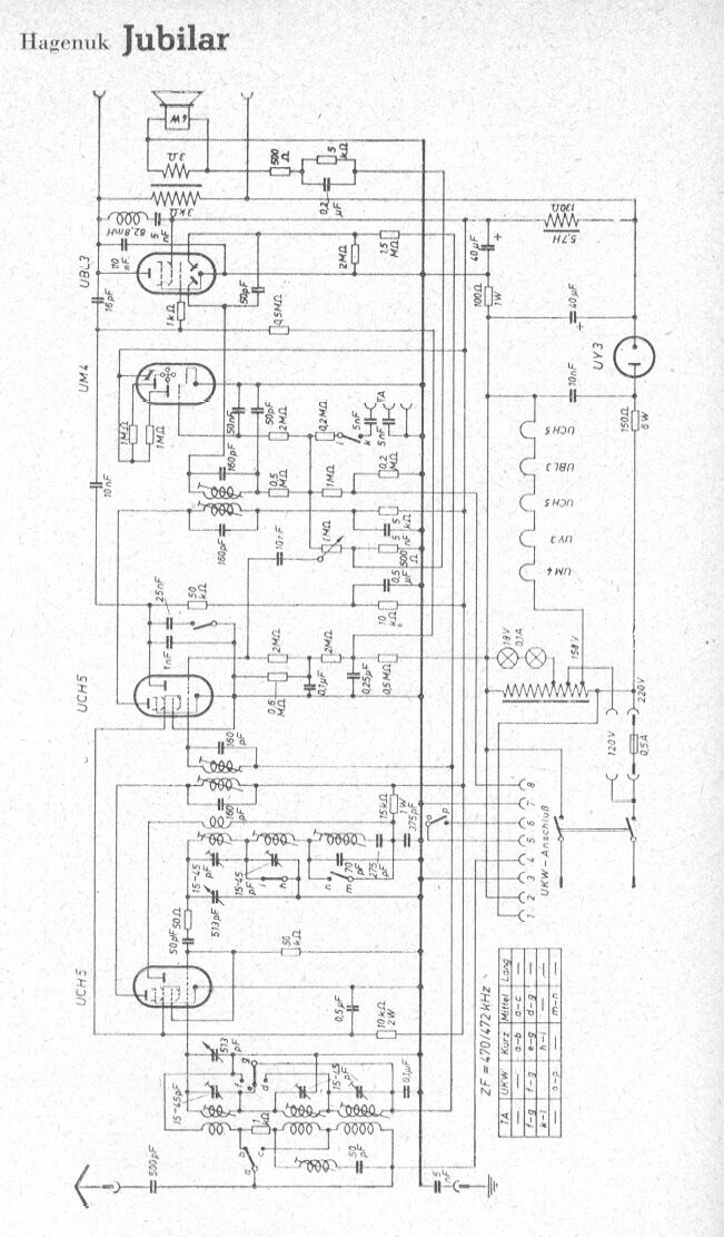
Jubilar.jpg
En lien avec le modèle
Hagenuk - Jubilar
Jubilar.jpg
Signaler un contenu erroné ou une anomalie