Modèles & Marques
GL
Documents
Docs
Annonces
Forum
Connexion
Base documentaire
Retrouvez les magazines dans notre nouvel espace avec visionneuse intégrée :
https://magazines.retrotechnique.org
Documents
->
Schémas, manuels de service
->
Schémas et manuels de service par marque et modèle
Document n° 40783
Nombre de fichiers : 1
Placé par : Dos_santos_andre
Mise en ligne : 09/06/2014
90
Parution : 1931
En lien avec le modèle
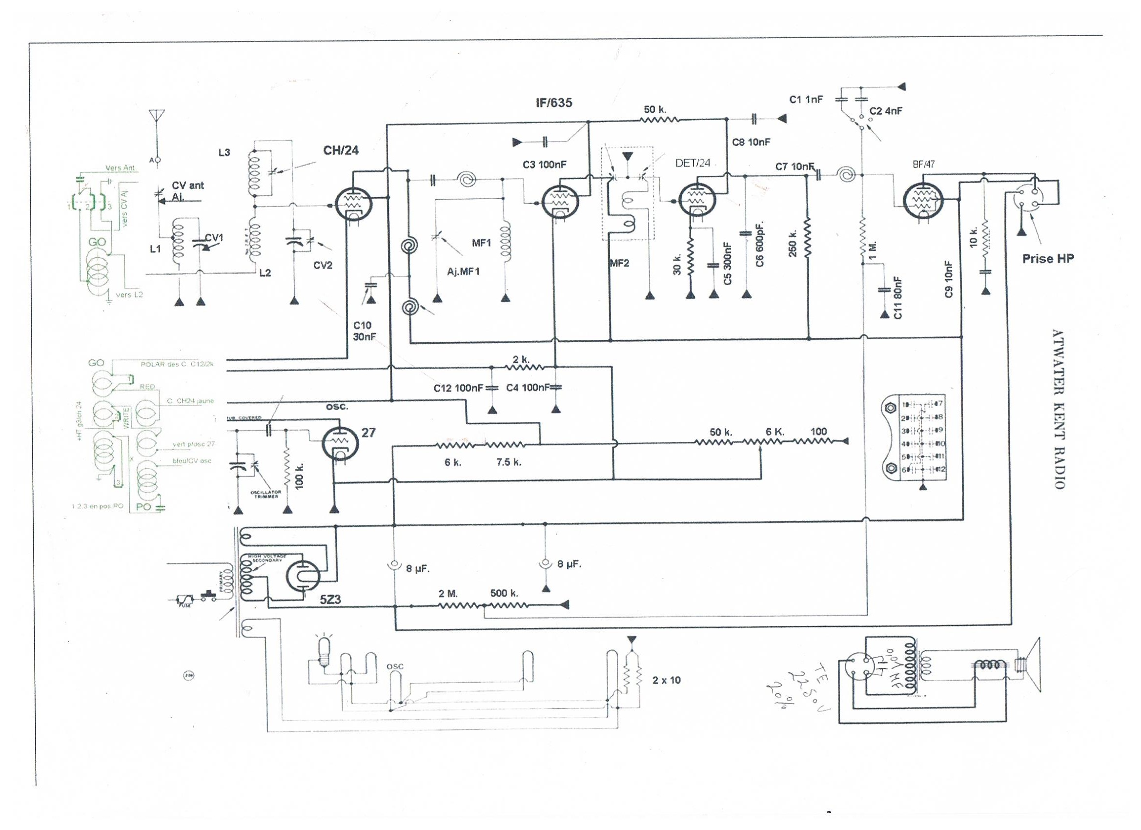
Atwater Kent - 80 (FR)
p. 1
Signaler un contenu erroné ou une anomalie