Modèles & Marques
GL
Documents
Docs
Annonces
Forum
Connexion
Base documentaire
Retrouvez les magazines dans notre nouvel espace avec visionneuse intégrée :
https://magazines.retrotechnique.org
Documents
->
Schémas, manuels de service
->
Schémas et manuels de service par marque et modèle
Document n° 39611
Nombre de fichiers : 1
Placé par : Japa
Mise en ligne : 05/02/2014
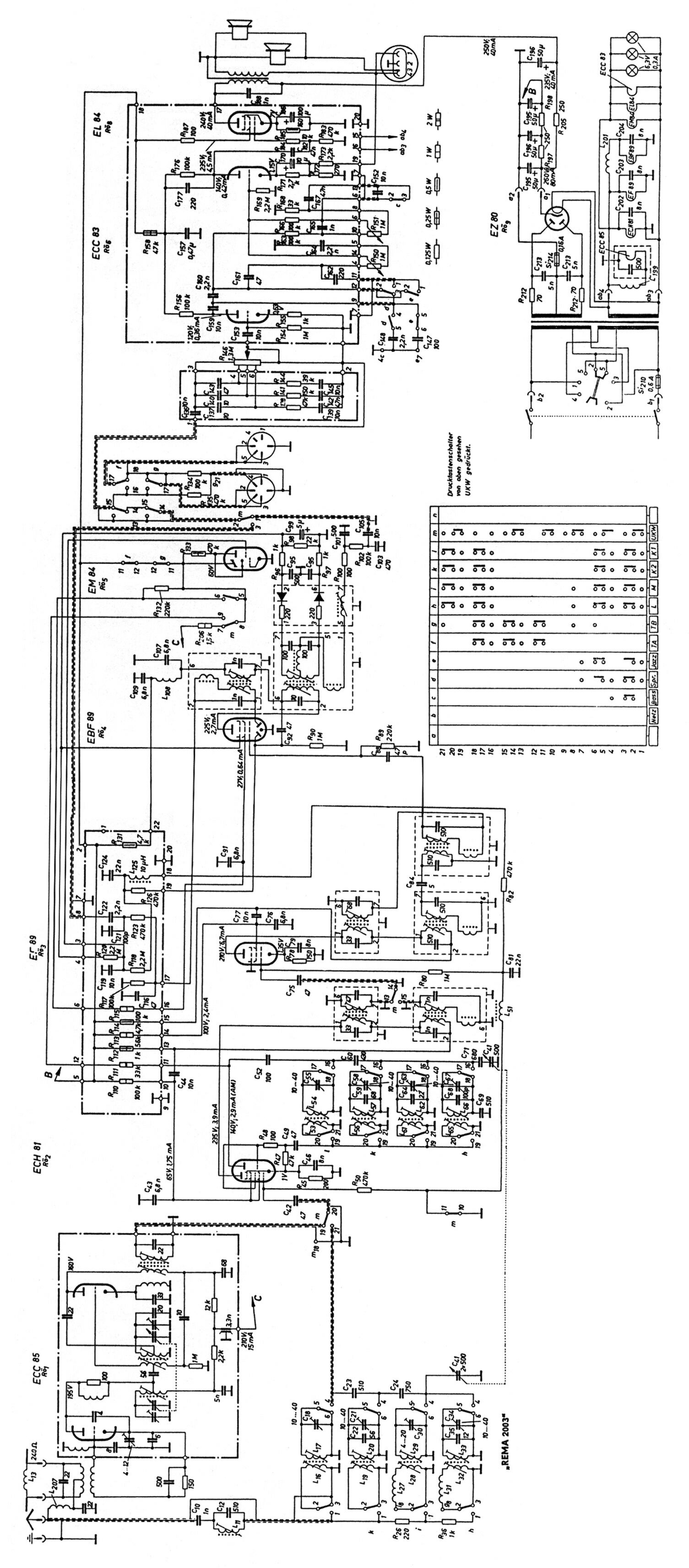
2003 Musik-truhe Caterina 103 .peter
En lien avec le modèle
Peter - Caterina 103 - 2003 Stereo
p. 1
Signaler un contenu erroné ou une anomalie