Modèles & Marques
GL
Documents
Docs
Annonces
Forum
Connexion
Base documentaire
Retrouvez les magazines dans notre nouvel espace avec visionneuse intégrée :
https://magazines.retrotechnique.org
Document n° 38901
Nombre de fichiers : 2
Placé par : Bouissiere Alain
Origine : DUCRETET-THOMSON-SERVICE
Mise en ligne : 19/09/2013
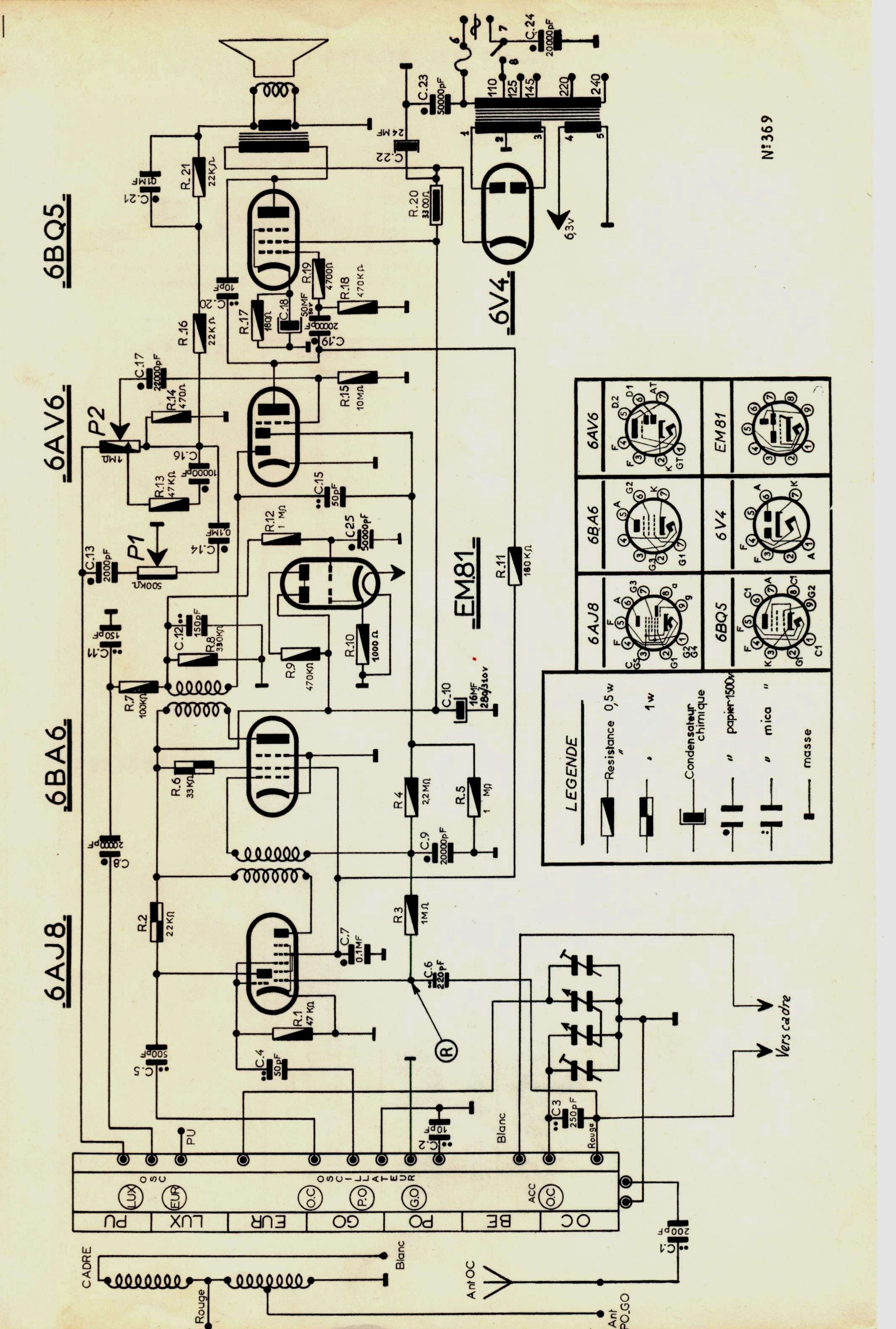
Ducretet-Thomson Voix Du Monde 60 Schéma
Parution : 1954
En lien avec le modèle
Ducretet-Thomson - Voix Du Monde 60 (VDM 60)
p. 1
p. 2
Signaler un contenu erroné ou une anomalie